CN
|
EN
²úÆ·ËÑË÷
¸ù¾Ý¹Ø¼ü´Ê
¸ù¾ÝÐͺÅ
d:
D:
B:
²úÆ·Áбí
²»Ðâ¸ÖÖá³Ð£¬ÌÕ´ÉÖá³Ð£¬ËÜÁÏÖá³Ð
ÌÕ´ÉÖá³Ð
»ìºÏÌÕ´ÉÇòÖá³Ð
Âú×°ÇòÈ«ÌÕ´ÉÖá³Ð
Ñõ»¯ï¯È«ÌÕ´ÉÖá³Ð
µª»¯¹èÈ«ÌÕ´ÉÖá³Ð
²»Ðâ¸ÖÖá³Ð
²»Ðâ¸Ö´ø×ùÖá³Ð
²»Ðâ¸ÖÉî¹µÇòÖá³Ð
²»Ðâ¸Ö½Ç½Ó´¥ÇòÖá³Ð
²»Ðâ¸Öµ÷ÐÄÇòÖá³Ð
²»Ðâ¸ÖÍÆÁ¦ÇòÖá³Ð
²»Ðâ¸Ö¹Ø½ÚÖá³Ð
²»Ðâ¸ÖÍâÇòÃæÖá³Ð
ËÜÁÏÖá³Ð
ËÜÁÏÉî¹µÇòÖá³Ð
´øËÜÁÏ×ù²»Ðâ¸ÖÖá³Ð
Ä͸ßÎÂÖá³Ð
Ä͸ßÎÂÉî¹µÇòÖá³Ð
Ä͸ßÎÂÍâÇòÃæÖá³Ð
Ä͸ßÎÂÔ²×¶¹ö×ÓÖá³Ð
970ϵÁÐÂú×°Çò¸ßÎÂÖá³Ð
×ÔÈó»¬Öá³Ð
ËÜÁϹؽÚÖá³Ð
ËÜÁÏÖ±ÏßÖá³Ð
ËÜÁÏÖáÌ×
ËÜÁÏ×ùÖá³Ð
»úÆ÷ÈËÖá³Ð
½»²æ¹ö×ÓÖá³Ð
CRBH½»²æ¹ö×ÓÖá³Ð
RA½»²æ¹ö×ÓÖá³Ð
RBϵÁÐ
RE½»²æ¹ö×ÓÖá³Ð
RU½»²æ¹ö×ÓÖá³Ð
SXϵÁн»²æ¹ö×ÓÖá³Ð
XVϵÁн»²æ¹ö×ÓÖá³Ð
±¡±ÚÖá³Ð
¾«Ãܱ¡±ÚÖá³Ð
ÇáϵÁб¡±ÚÇòÖá³Ð
г²¨¼õËÙ»úÖá³Ð
ÈáÐÔÖá³Ð
CSD¸ÖÐÔÖá³Ð
CSF£¨CSG£©
SHF£¨SHG£©
RV¼õËÙ»úÖá³Ð
RV ¼õËÙ»úÔ²×¶¹ö×ÓÖá³Ð
RV¼õËÙ»úÖ÷Öá³Ð
RV¼õËÙ»ú¹öÕë±£³ÖÆ÷×é¼þ
RV¼õËÙ»úרÓÃÉî¹µÇòÖá³Ð
¸Ö³§¡¢ÓÍÌïרÓôóÐÍÖá³Ð
Ôþ»úÖá³Ð
Éî¹µÇòÖá³Ð
µ¥ÁÐÔ²Öù¹ö×ÓÖá³Ð
Ë«ÁÐÔ²Öù¹ö×ÓÖá³Ð
ËÄÁÐÔ²Öù¹ö×ÓÖá³Ð
±³³ÄÖá³Ð
Ë«ÁнǽӴ¥ÇòÖá³Ð
Ëĵã½Ç½Ó´¥ÇòÖá³Ð
µ÷ÐĹö×ÓÖá³Ð
Ë«ÏòË«ÁÐÍÆÁ¦Ô²×¶¹ö×ÓÖá³Ð
ÓÍÌïרÓÃÖá³Ð
Éî¹µÇòÖá³Ð
½Ç½Ó´¥ÇòÖá³Ð
Ô²Öù¹ö×ÓÖá³Ð
Ô²×¶¹ö×ÓÖá³Ð
µ÷ÐĹö×ÓÖá³Ð
ÍÆÁ¦ÇòÖá³Ð
ÍÆÁ¦Ô²×¶¹ö×ÓÖá³Ð
Äཬ±Ã
ÍÆÁ¦µ÷ÐĹö×ÓÖá³Ð
תÅÌÖá³Ð
½»²æÔ²Öù¹ö×ÓתÅÌÖá³Ð
ÎÞ³ÝʽËĵã½Ó´¥ÇòתÅÌÖá³Ð
Íâ³ÝʽËĵãÇòתÅÌÖá³Ð
ÄÚ³ÝËĵã½Ó´¥×ªÅÌÖá³Ð
´ø·¨À¼Å̵¥ÁÐËĵã½Ó´¥×ªÅÌÖá³Ð £
´ø·¨À¼Å̵¥ÁÐËĵã½Ó´¥×ªÅÌÖá³Ð£¨
´ø·¨À¼Å̵¥ÁÐËĵã½Ó´¥×ªÅÌÖá³Ð(Ä
Ë«ÅÅÇòתÅÌÖá³Ð(ÄÚ³ÝÐÍ)
Ë«ÅÅÇòתÅÌÖá³Ð(Íâ³ÝÐÍ)
ËÜÁÏתÅÌÖá³Ð
SRB-1 ϵÁÐ
SRB-2 ϵÁÐ
SRB-3 ϵÁÐ
SRB ÏÞλ»·
¾«Ãܹö×ÓÖá³Ð
µ÷ÐĹö×ÓÖá³Ð
ͨÓÃϵÁÐ
ÃÜ·âϵÁÐ--µçÌÝרÓÃÖá³Ð
Õñ¶¯»úеÓõ÷ÐĹö×ÓÖá³Ð
´ø½ô¶¨Ì׵ĵ÷ÐĹö×ÓÖá³Ð
´øÍËжÌ׵ĵ÷ÐĹö×ÓÖá³Ð
Ô²Öù¹ö×ÓÖá³Ð
µ¥ÁÐÔ²Öù¹ö×ÓÖá³Ð
µ¥ÁÐÂú×°Ô²Öù¹ö×ÓÖá³Ð
Âú×°Ô²Öù¹ö×ÓÖá³Ð
Ô²×¶¹ö×ÓÖá³Ð
¹«ÖÆÏµÁÐ
ÍâȦ´ø·¨À¼µÄ¹«ÖÆÏµÁÐ
Ó¢ÖÆÔ²×¶¹ö×ÓÖá³Ð
Ó¢ÖÆÏµÁÐ
L ϵÁÐ
LM ϵÁÐ
M ϵÁÐ
HM ϵÁÐ
ÆäËûϵÁÐ
ÍÆÁ¦¹ö×ÓÖá³Ð
Ô²ÖùÍÆÁ¦¹ö×ÓÖá³Ð
ÍÆÁ¦ÇòÃæ¹ö×ÓÖá³Ð
¹öÂÖÖá³Ð
ÓÐÖáÏòÒýµ¼
ÎÞÖáÏòÒýµ¼
CCF...S ϵÁÐ
CCF...SB ϵÁÐ
CCFE...S ϵÁÐ
CCFE...SB ϵÁÐ
CCFH...S ϵÁÐ
CCFH...SB ϵÁÐ
CF ϵÁÐ
CF...B ϵÁÐ
CFE ϵÁÐ
CFE...B ϵÁÐ
CFH ϵÁÐ
CFH...B ϵÁÐ
CR ϵÁÐ
YCR ϵÁÐ
Æ«ÐÄÖá
Áù½Ç°âÊֳߴç
¾«ÃÜÇòÖá³Ð
΢ÐÍÖá³Ð
60 ϵÁÐ
62 ϵÁÐ
63 ϵÁÐ
68 ϵÁÐ
69 ϵÁÐ
MR ϵÁÐ
·¨À¼ÏµÁÐ
R ϵÁÐ
Éî¹µÇòÖá³Ð
¹«ÖÆÉî¹µÇòÖá³Ð
½Ç½Ó´¥ÇòÖá³Ð
µ¥ÁнǽӴ¥ÇòÖá³Ð
Ë«ÁнǽӴ¥ÇòÖá³Ð
ÍÆÁ¦½Ç½Ó´¥ÇòÖá³Ð
¾«ÃÜ»ú´²Öá³Ð
³¬¸ßËÙ¾«ÃܽǽӴ¥ÇòÖá³Ð
»ú´²×¨Óþ«ÃÜÔ²Öù¹ö×ÓÖá³Ð
¾«ÃܹöÖéË¿¸ÜÖ§³ÅÖá³Ð
»ú´²×¨ÓÃË«ÏòÍÆÁ¦ÇòÖá³Ð
»ú´²×¨ÓùöÖéË¿¸ËÖ§³Å×ùÖá³Ð¡ªZA
»ú´²×¨ÓùöÖéË¿¸ËÖ§³Å×ùÖá³Ð¡ªZK
Æû³µÖá³Ð¡¢¿¨³µÖá³Ð
Æû³µ¿Õµ÷ѹËõ»úÖá³Ð
ÎÐÂÖÔöѹÆ÷Öá³Ð
ÀëºÏÆ÷Öá³Ð
AUDI
RAT
FIAT
FORD
HYUNDAI
ISUZU
KIA
LADA
MAZDA
MITSUBISHI
NISSAN
TOYOTA
PEUGEOT
OPEL
ÂÖì±Öá³Ðµ¥Ôª
20 ϵÁÐ
30 ϵÁÐ
40 ϵÁÐ
ÕǽôÂÖÖá³Ðµ¥Ôª
·½Ïò»úÖá³Ð
ÍÚ¾ò»úÖá³Ð
½ø¿ÚÍÚ¾ò»úÖá³Ð
ÍÚ¾ò»ú¹Ø½ÚÖá³Ð
ÍÚ¾ò»úÐÐ×ßÖá³Ð
ÍÚ¾ò»ú»Ø×ªÖ§³ÐÖá³Ð
ÍÚ¾ò»úÉî¹µÇòÖá³Ð
ÍÚ¾ò»úµ÷ÐĹö×ÓÖá³Ð
ÍÚ¾ò»úÓ¢ÖÆÔ²×¶¹ö×ÓÖá³Ð
²æ³µÖá³Ð
²æ³µÖ÷¹öÂÖÖá³Ð
²æ³µ²à¹öÂÖÖá³Ð
²æ³µÁ´ÂÖÖá³Ð
¿¨³µÂÖì±Öá³Ð
DAF
Gigant
Mercedes Benz
Renault
SAF
Volvo
×Ô¶¯»¯´«¶¯Á㲿¼þ
Ö±ÏßÖá³Ð
±ê×¼ÐÍ
¼ä϶µ÷ÕûÐÍ
¿ª¿ÚÐÍ
¼Ó³¤ÐÍ
ÐгÌÖá³Ð
Ö±Ïßµ¼¹ì
AGH..SA(CA) AGW..SA(CA)
LGH..CA(HA) LGM..CA(HA)
MGN..C MGW..C(H)
SBG...FL SBG..SL SBS..SL
SBG...FLL SBG..SLL
¹öÖéË¿¸Ü
¹«ÖƹöÖéË¿¸Ë
Ó¢ÖÆ¹öÖéË¿¸Ë
¹öÖéË¿¸ÜÖ§³Å
Ë¿¸ËÖ§³Å×ù
·½ÐÎÖ§³Å²à
͹ÐÎÖ§³Å²à
·¨À¼Ê½Ö§³Å²à
¸ßºÉÖØÖ§³Å²à
ÁªÖáÆ÷
LC-AϵÁÐ
LC-BϵÁÐ
LC-CϵÁÐ
LC-DϵÁÐ
LC-EϵÁÐ
LC-FϵÁÐ
¹Ø½ÚÖá³Ð
ÏòÐĹؽÚÖá³Ð
GE...(E)ES ϵÁÐ
GE...(E)ES-2RS ϵÁÐ
GE...FW ϵÁÐ
GE...FW-2RS ϵÁÐ
GE...HO-2RS ϵÁÐ
GE...LO ϵÁÐ
GE...UK ϵÁÐ
GE...UK-2RS ϵÁÐ
GEBJ...S ϵÁÐ
GEBK...S ϵÁÐ
GEG...(E)ES ϵÁÐ
GEG...(E)ES-2RS ϵÁÐ
×ÔÈó»¬ÏòÐĹؽÚÖá³Ð
GE..C ϵÁÐ
GE..E ϵÁÐ
GE..ES ϵÁÐ
GE..ES-2RS ϵÁÐ
GE..ET-2RS ϵÁÐ
GE..PW ϵÁÐ
GE..XT-2RS ϵÁÐ
GEBK..S ϵÁÐ
GEEM..ES-2RS ϵÁÐ
GEEW.ES ϵÁÐ
GEG..C ϵÁÐ
GEG..E ϵÁÐ
GEG..ES ϵÁÐ
GEG..ES-2RS ϵÁÐ
GEG..ET-2RS ϵÁÐ
GEG..XT-2RS ϵÁÐ
GEZ..ES ϵÁÐ
GEZ..ES-2RS ϵÁÐ
¸Ë¶Ë¹Ø½ÚÖá³Ð
GAR...UK GAR..UK-2RS ϵÁÐ
¸Ë¶Ë¹Ø½ÚÖá³Ð (¹«ÖÆÏµÁУ©
GIR...UK GIR...UK..-2RS ϵÁÐ
¾«ÃÜÐ͸˶ˣ¨ÃÀÖÆÏµÁУ©
MM....MB.... ϵÁÐ
MSF....MSFL ϵÁÐ
¾¼ÃÐ͸˶ˣ¨ÃÀÖÆÏµÁУ©
MSM¡ MSML¡ ϵÁÐ
³¬ÖØÔغÉϵÁУ¨ÃÀÖÆÏµÁУ©
MW...MG ϵÁÐ
PHS... PHS...EC ϵÁÐ
PHSB... PHSB...EC ϵÁÐ
SA...BK ϵÁÐ
SA...TK ϵÁÐ
SA..E SA...ES ϵÁÐ
SI...E SI...ES ϵÁÐ
SI...TK ϵÁÐ
ÏòÐĹؽÚ.¾¼ÃÐÍ
AIB ϵÁÐ
AIB..T ϵÁÐ
COM ϵÁÐ
COM..T ϵÁÐ
HCOM ϵÁÐ
HCOM..T ϵÁÐ
MIB ϵÁÐ
MIB..T ϵÁÐ
NSSB ϵÁÐ
NSSB..V ϵÁÐ
SCOM ϵÁÐ
SCOM..T ϵÁÐ
SIB ϵÁÐ
SIB..T ϵÁÐ
WSSB ϵÁÐ
WSSB..V ϵÁÐ
YSSB ϵÁÐ
YSSB..V ϵÁÐ
ÇòÍ·¹Ø½ÚÖá³Ð
CS ϵÁÐ
AS ϵÁÐ
BS ϵÁÐ
SQY...-RS ϵÁÐ
CS ϵÁÐ
R..G ϵÁÐ
SQ..RS ϵÁÐ
SQG.... ϵÁÐ
SQD ϵÁÐ
SQZ..RS ϵÁÐ
½Ç½Ó´¥¹Ø½ÚÖá³Ð
GAC..S ϵÁÐ
GAC..T ϵÁÐ
GACZ..S ϵÁÐ
ÍÆÁ¦¹Ø½ÚÖá³Ð
GX..S ϵÁÐ
GX..T ϵÁÐ
µ¥ÏòÖá³Ð
MZϵÁе¥ÏòÀëºÏÆ÷Öá³Ð
MZ-G ϵÁе¥ÏòÀëºÏÆ÷Öá³Ð
µ¥ÏòÀëºÏÆ÷Öá³Ð CSK..P,CSK..PP
µ¥ÏòÀëºÏÆ÷Öá³Ð CSK,CSK..2RS
TSS ϵÁе¥ÏòÀëºÏÆ÷Öá³Ð
Ш¿éʽµ¥ÏòÀëºÏÆ÷Öá³ÐDCϵÁÐ
Ш¿éʽµ¥ÏòÀëºÏÆ÷Öá³ÐFEϵÁÐ
Ô²Öù¹ö×Óµ¥ÏòÀëºÏÆ÷Öá³ÐASϵÁÐ
Ô²Öù¹ö×Óµ¥ÏòÀëºÏÆ÷Öá³ÐASNU(NFS
200ϵÁÐ͹ÂÖÀëºÏÆ÷Öá³Ð ÐͺÅB203
RSBW ϵÁÐ
GFK ϵÁÐ
NFϵÁÐ
GFR GFRN ϵÁÐ
Ê×Ò³
>
²úƷĿ¼
>
Éî¹µÇòÖá³Ð
>
¹«ÖÆÉî¹µÇòÖá³Ð
>
16000 ϵÁÐ
ÏÂÔØPDFÎļþ
ÏÂÔØPDFÎļþ
´òÓ¡´ËÒ³Ãæ
Email·¢ËÍ´ËÒ³Ãæ
Ìí¼Óµ½ÊղؼÐ
ʵÎïͼ
2Dͼֽ
ͼֽÐÅÏ¢
¡¤
ʵÎïͼ
¡¤
2Dͼֽ
¡¤
PDFÎļþ
Ïà¹ØÀà±ð
6800 ϵÁÐ
Ìá½»ÐèÇó
16002,16000 ϵÁÐ
³ß´ç
¡¤
¹æ¸ñ
³ß´ç
Æ·ÅÆ
ASMI
ÐͺÅ
16002
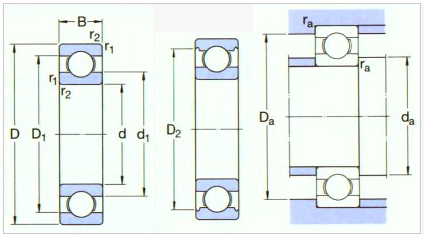
d
15
D
32
B
8
ÖØÁ¿
0.025
¹æ¸ñ
ÐͺÅ
16002
Ö÷ÒªÊý¾Ý³ß´ç(mm)
d
15
D
32
B
8
rs£¨×îС£©
0.3
»ù±¾¸ººÉ¶î¶¨Öµ(KN)
¶¯Ì¬ Cr
5.6
¾²Ì¬ Cor
2.83
¶î¶¨ËÙ¶È (rpm)
Ö¬Èó»¬
22000
ÓÍÈó»¬
26000
ÖØÁ¿(Kg)
0.025
°æÈ¨ËùÓЩ 2016 °®Ë¼Ã×»úе´«¶¯¿Æ¼¼|ASMIÖá³Ð
Ê×Ò³
/
²úÆ·
/
¹ØÓÚÎÒÃÇ
/
ÁªÏµÎÒÃÇ
ËÕICP±¸16054936ºÅ