|
|
|
Æ·ÅÆ
|
 |
ASMI |
|
ÐͺÅ
|
 |
LC-BK-104DS |
|
ÖØÁ¿
|
 |
130¡Á103 |
|
|
|
|
Öá³ÐÐͺÅ
|
LC-BK-104DS |
¶î¶¨Å¤¾Ø [N¡¤m] |
×îС
|
220 |
×î´ó
|
440 |
×î´óÈÝÐíÎó²î |
Æ«ÐÄ
|
0.04 |
Æ«½Ç
|
2 |
ÖáÏòÎ»ÒÆ
|
¡À1.5 |
|
Ťתµ¯ÐÔ³£Êý[N¡¤m/rad]
|
4500 |
|
ת¶¯¹ßÁ¿ [kg¡¤m2]
|
5.8¡Á10-3 |
|
ÖÊÁ¿ [kg]
|
130¡Á103 |
Öá¾¶[kg] |
d1 d2
|
5.239 |
|
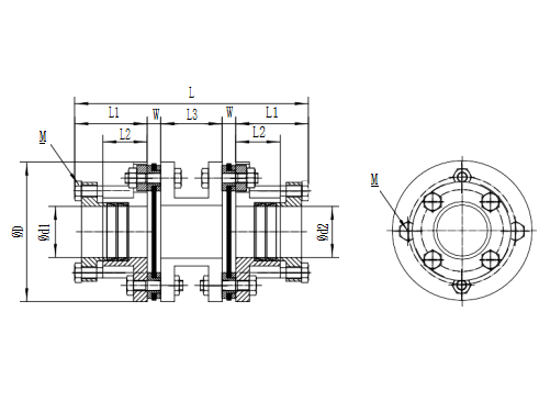
¦ÕD
|
24¡¤25¡¤28¡¤30 |
|
L
|
104 |
|
W
|
164 |
|
L1
|
10 |
|
L2
|
57 |
|
L3
|
34 |
|
M
|
30 |
|
Ëø½ôŤ¾Ø£¨N¡¤m£©
|
6-M6 |
|
|
|