|
|
|
Æ·ÅÆ
|
 |
ASMI |
|
ÐͺÅ
|
 |
LC-BK-144SS |
|
D
|
 |
79 |
|
|
|
|
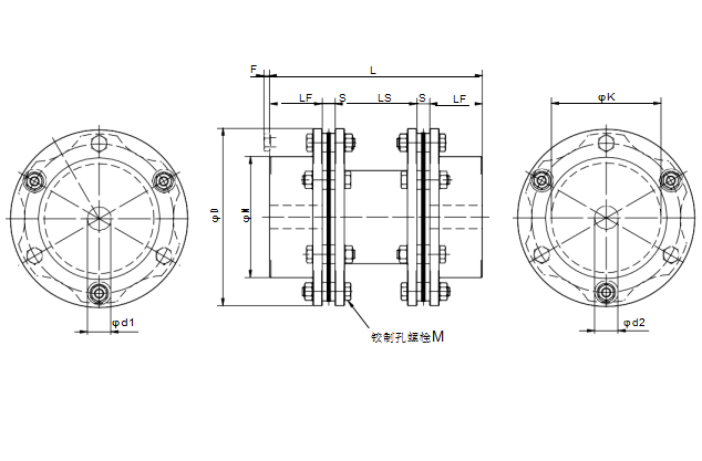
Öá³ÐÐͺÅ
|
LC-BK-144SS |
¶î¶¨Å¤¾Ø [N¡¤m] |
×îС
|
500 |
×î´ó
|
1000 |
×î´óÈÝÐíÎó²î |
Æ«ÐÄ
|
0.02 |
Æ«½Ç
|
1 |
ÖáÏòÎ»ÒÆ
|
¡À1.0 |
|
×î¸ßתËÙ
|
4500 |
|
Ťתµ¯ÐÔ³£Êý[N¡¤m/rad]
|
14.3¡Á10-3 |
|
ÖáÏòµ¯ÐÔ³£Êý [N/mm]
|
790¡Á103 |
|
ת¶¯¹ßÁ¿ [kg¡¤m2]
|
8.739 |
|
Öá¾¶[kg]
|
35¡¤38¡¤40¡¤42¡¤45 |
d1 d2 |
µ×¿×
|
144 |
×îС
|
170 |
×î´ó
|
12 |
|
D
|
79 |
|
L
|
48 |
|
W
|
6-M8 |
|
L1
|
15 |
|
L2
|
|
|
M
|
|
|
Ëø½ôŤ¾Ø£¨N¡¤m£©
|
|
|
|
|