|
|
|
Æ·ÅÆ
|
 |
ASMI |
|
ÐͺÅ
|
 |
LC-BH-210G |
|
D
|
 |
130 |
|
ÖØÁ¿
|
 |
24.1 |
|
|
|
|
Öá³ÐÐͺÅ
|
LC-BH-210G |
|
¶î¶¨Å¤¾Ø [N¡¤m]
|
4000 |
×î´óÈÝÐíÎó²î |
Æ«ÐÄ
|
2.1 |
Æ«½Ç
|
1(single side) |
ÖáÏòÎ»ÒÆ
|
¡À1.1 |
|
×î¸ßתËÙ
|
4300 |
|
Ťתµ¯ÐÔ³£Êý [N¡¤m/rad]
|
2340000 |
|
ÖáÏòµ¯ÐÔ³£Êý [N/mm]
|
254 |
|
ת¶¯¹ßÁ¿[kg¡¤m2]
|
124.70x10-3 |
|
ÖØÁ¿[kg]
|
24.1 |
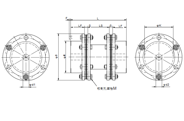
d1 d2 |
µ×¿×
|
35 |
×îС
|
38 |
×î´ó
|
90 |
|
N
|
210 |
|
D
|
130 |
|
L
|
290 |
|
LF
|
75 |
|
LS
|
110 |
|
S
|
15 |
|
F
|
8 |
|
K
|
124 |
|
M
|
12-M16x60 |
|
|
|