|
|
|
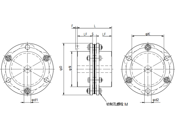
Æ·ÅÆ
|
 |
ASMI |
|
ÐͺÅ
|
 |
LC-BH-150S |
|
D
|
 |
104 |
|
ÖØÁ¿
|
 |
4.66 |
|
|
|
|
Öá³ÐÐͺÅ
|
LC-BH-150S |
|
¶î¶¨Å¤¾Ø [N¡¤m]
|
1000 |
×î´óÈÝÐíÎó²î |
Æ«ÐÄ
|
- |
Æ«½Ç
|
1 |
ÖáÏòÎ»ÒÆ
|
¡À0.4 |
|
×î¸ßתËÙ
|
5900 |
|
Ťתµ¯ÐÔ³£Êý [N¡¤m/rad]
|
1500000 |
|
ÖáÏòµ¯ÐÔ³£Êý [N/mm]
|
244 |
|
ת¶¯¹ßÁ¿[kg¡¤m2]
|
12.48x10-3 |
|
ÖØÁ¿[kg]
|
4.66 |
d1 d2 |
µ×¿×
|
20 |
×îС
|
22 |
×î´ó
|
70 |
|
N
|
152 |
|
D
|
104 |
|
L
|
101 |
|
LF
|
45 |
|
S
|
11 |
|
F
|
5 |
|
K
|
94 |
|
M
|
6-M8x36 |
|
|
|