|
|
|
Æ·ÅÆ
|
 |
ASMI |
|
ÐͺÅ
|
 |
LC-F6-300-137 |
|
B
|
 |
110 |
|
ÖØÁ¿
|
 |
4.2 |
|
|
|
|
ÐͺÅ
|
LC-F6-300-137 |
|
¶î¶¨Å¤¾Ø [N¡¤m]
|
300 |
×î´óÈÝÐíÎó²î |
Æ«ÐÄ [mm]
|
0.3 |
ÖáÏòÎ»ÒÆ [m¡¤m]
|
2 |
|
¹ßÐÔÁ¦¾Ø [10-3N¡¤m/rad]
|
6.1 |
|
Ť¾Ø¸ÕÐÔ [103N¡¤m/rad]
|
266 |
|
ÖáÏòµ¯»É¸ÕÐÔ [N/mm]
|
106 |
|
¾¶Ïòµ¯»É¸ÕÐÔ [N/mm]
|
1050 |
|
ÖÊÁ¿ [kg]
|
4.2 |
|
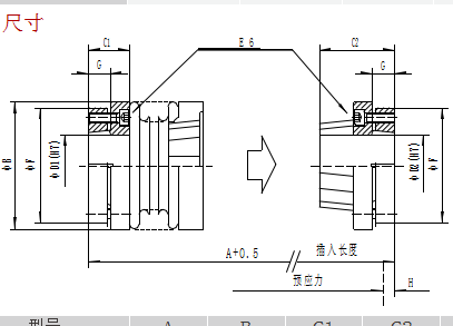
A
|
137 |
|
B
|
110 |
|
C1
|
37 |
|
C2
|
59 |
|
D1
|
24-56 |
|
D2
|
24-56 |
E£¨ÂÝË¨Ëø½ôŤ¾ØN¡¤m£© |
E1
|
M8 |
E2
|
30 |
|
F
|
102 |
|
G
|
20 |
|
H
|
0.5-1.5 |
|
|
|