|
|
|
Æ·ÅÆ
|
 |
ASMI |
|
ÐͺÅ
|
 |
LC-F4-80-93 |
|
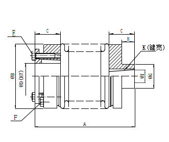
B
|
 |
81 |
|
ÖØÁ¿
|
 |
1.2 |
|
|
|
|
ÐͺÅ
|
LC-F4-80-93 |
|
¶î¶¨Å¤¾Ø [N¡¤m]
|
80 |
×î´óÈÝÐíÎó²î |
Æ«ÐÄ [mm]
|
0.25 |
ÖáÏòÎ»ÒÆ [m¡¤m]
|
3 |
|
¹ßÐÔÁ¦¾Ø [10-3N¡¤m/rad]
|
1.3 |
|
Ť¾Ø¸ÕÐÔ [103N¡¤m/rad]
|
85 |
|
ÖáÏòµ¯»É¸ÕÐÔ [N/mm]
|
32 |
|
¾¶Ïòµ¯»É¸ÕÐÔ [N/mm]
|
290 |
|
ÖÊÁ¿ [kg]
|
1.2 |
|
A
|
93 |
|
B
|
81 |
|
C
|
32 |
|
D1/2
|
15-37 |
E£¨ÂÝË¨Ëø½ôŤ¾ØN¡¤m£© |
E1
|
M5 |
E2
|
10 |
|
F
|
M5 |
|
G
|
30 |
|
H
|
20 |
|
I
|
16 |
|
K
|
5 |
|
|
|