|
|
|
Æ·ÅÆ
|
 |
ASMI |
|
ÐͺÅ
|
 |
LC-BS-10S |
|
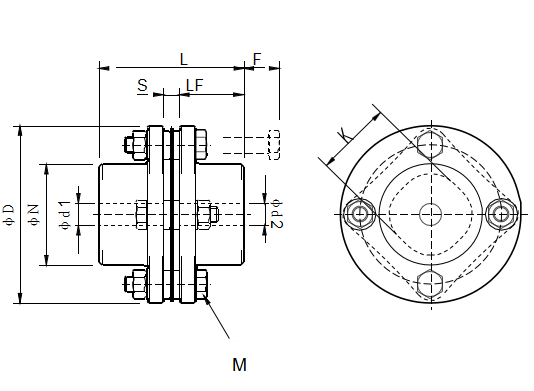
D
|
 |
42 |
|
ÖØÁ¿
|
 |
15 |
|
|
|
|
Öá³ÐÐͺÅ
|
LC-BS-10S |
|
¶î¶¨Å¤¾Ø [N¡¤m]
|
250 |
×î´óÈÝÐíÎó²î |
Æ«ÐÄ
|
1 |
Æ«½Ç
|
¡À1.4 |
ÖáÏòÎ»ÒÆ
|
13000 |
|
×î¸ßתËÙ
|
250000 |
|
Ťתµ¯ÐÔ³£Êý [N¡¤m/rad]
|
160 |
|
ÖáÏòµ¯ÐÔ³£Êý [N/mm]
|
2.60x10-3 |
|
ת¶¯¹ßÁ¿[kg¡¤m2]
|
2.1 |
|
ÖØÁ¿[kg]
|
15 |
|
Öá³ÐÐͺÅ
|
16 |
|
D
|
42 |
|
N
|
104 |
|
L
|
68 |
|
LF
|
80 |
|
S
|
35 |
|
F
|
10 |
|
K
|
16 |
|
M
|
48 |
|
|
|