|
|
|
Æ·ÅÆ
|
 |
ASMI |
|
ÐͺÅ
|
 |
LC-BM-100DS |
|
D
|
 |
94 |
|
ÖØÁ¿
|
 |
100 |
|
|
|
|
Öá³ÐÐͺÅ
|
LC-BM-100DS |
|
¶î¶¨Å¤¾Ø [N¡¤m]
|
300 |
×î´óÈÝÐíÎó²î |
Æ«ÐÄ
|
0.31 |
Æ«½Ç
|
1£¨Single diaphragm£© |
ÖáÏòÎ»ÒÆ
|
¡À1.4 |
|
×î¸ßתËÙ
|
15000 |
|
Ťתµ¯ÐÔ³£Êý [N¡¤m/rad]
|
80000 |
|
ÖáÏòµ¯ÐÔ³£Êý [N/mm]
|
180 |
|
ת¶¯¹ßÁ¿[kg¡¤m2]
|
4.39x10-3 |
|
Öá³ÐÐͺÅ
|
2.56 |
|
ÖØÁ¿[kg]
|
100 |
|
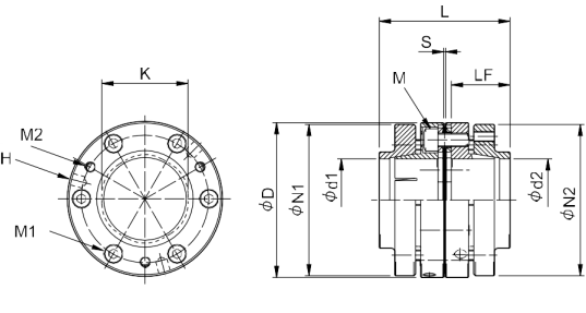
D
|
94 |
|
L
|
50 |
|
d1 d2
|
93 |
|
N1 N2
|
34 |
|
LF
|
17 |
|
S
|
1 |
|
K
|
60 |
|
H
|
58 |
|
M
|
3-6.8 |
|
M1
|
M8 |
|
M2
|
6-M6 |
|
|
|