|
|
|
Æ·ÅÆ
|
 |
ASMI |
|
ÐͺÅ
|
 |
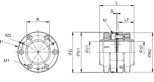
LC-BM-140SS |
|
D
|
 |
100.6 |
|
ÖØÁ¿
|
 |
140 |
|
|
|
|
Öá³ÐÐͺÅ
|
LC-BM-140SS |
|
¶î¶¨Å¤¾Ø [N¡¤m]
|
800 |
×î´óÈÝÐíÎó²î |
Æ«ÐÄ
|
0.02 |
Æ«½Ç
|
1 |
ÖáÏòÎ»ÒÆ
|
¡À1.0 |
|
×î¸ßתËÙ
|
20000 |
|
Ťתµ¯ÐÔ³£Êý [N¡¤m/rad]
|
100000 |
|
ÖáÏòµ¯ÐÔ³£Êý [N/mm]
|
360 |
|
ת¶¯¹ßÁ¿[kg¡¤m2]
|
16.9x10-3 |
|
Öá³ÐÐͺÅ
|
5.35 |
|
ÖØÁ¿[kg]
|
140 |
|
D
|
100.6 |
|
L
|
60 |
|
d1 d2
|
115 |
|
N1 N2
|
45 |
|
LF
|
1 |
|
S
|
78 |
|
K
|
3-8.6 |
|
H
|
M12 |
|
M
|
6-M8 |
|
M1
|
3-M8 |
|
M2
|
|
|
|
|