|
|
|
Æ·ÅÆ
|
 |
ASMI |
|
ÐͺÅ
|
 |
KRV16-PP1) |
|
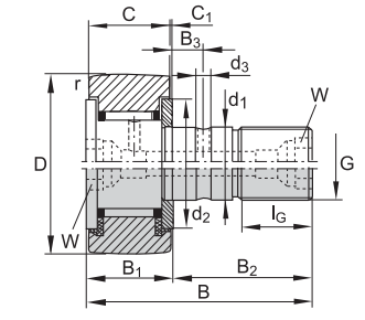
D
|
 |
16 |
|
B
|
 |
28 |
|
ÖØÁ¿
|
 |
- |
|
|
|
Öá³ÐÐͺŠ|
Öá³ÐÐͺÅ
|
KRV16-PP1) |
ÖØÁ¿(g)
|
19 |
´øÆ«ÐÄÌ×ÐͺÅ
|
- |
ÖØÁ¿(g)
|
- |
³ß´ç(mm) |
D
|
16 |
d1
|
6 |
B
|
28 |
B1(×î´ó)
|
12.2 |
B2
|
16 |
B3
|
- |
C
|
11 |
C1
|
0.6 |
r(×îС)
|
0.15 |
d2
|
12.5 |
d3
|
- |
|
G
|
M6(¡Á1) |
|
IG
|
8 |
|
W
|
- |
Æ«ÐÄÌ× |
de h9
|
- |
Be
|
- |
e
|
- |
|
ÓÍ×ì
|
NIPA1 |
|
ÂÝĸš½ôŤ¾Ø MA(Nm)
|
3 |
»ù±¾¶î¶¨¸ººÉ |
¶¯Ì¬ Crw(N)
|
4900 |
¾²Ì¬ Corw(N)
|
6500 |
|
¼«ÏÞÆ£ÀÍÔØºÉ (N)
|
860 |
¼«ÏÞתËÙ |
nDG (min-1)
|
3800 |
|
|
|