ÎÞÎý°®Ë¼Ã×Öá³Ð£¬»úÆ÷ÈËÖá³Ð
Download PDF ÏÂÔØPDFÎļþ     ´òÓ¡´ËÒ³Ãæ     Email Email·¢ËÍ´ËÒ³Ãæ     Save To Favorites Ìí¼Óµ½ÊղؼÐ
CSF40
CSF40



 Ïà¹ØÀà±ð 

CSF20
CSF20
Ìá½»ÐèÇó

CSF32-8022,CSF40



ÎÞÎýÊа®Ë¼Ã×»úе´«¶¯¿Æ¼¼ÓÐÏÞ¹«Ë¾Éú²úCSF,CSGϵÁÐг²¨¼õËÙ»ú¸ÖÐÔÖá³Ð£¬ÖÊÁ¿ºÃ£¬¼Û¸ñ±ãÒË£¬»¶Ó­Ñ¡¹º£¡


³ß´ç  ¡¤ ¹æ¸ñ
³ß´ç

Æ·ÅÆ

ASMI

ÐͺÅ

CSF32-8022

d

26

D

112

ÖØÁ¿

1.1


¹æ¸ñ

Öá³ÐÐͺÅ

CSF32-8022

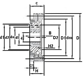
Ö÷Òª³ß´ç(mm)

d

26

D

112

T

22.5

D1

104

D2

55

D21

40

D4

34

n1-d1

16-¦µ4.5

n2-d2

8-M10

n21-d21

8-M8

n3-d3

4-¦µ5

d31

4-¦µ4.7

t31

10

rsmin

0.5x45¡ã

»ù±¾¶î¶¨Ôغɣ¨KN£©

Cr

18.5

Cor

28.3

ÖÊÁ¿ (kg)

1.1


°æÈ¨ËùÓЩ 2016 °®Ë¼Ã×»úе´«¶¯¿Æ¼¼|ASMIÖá³Ð

ËÕICP±¸16054936ºÅ