ÎÞÎý°®Ë¼Ã×Öá³Ð£¬»úÆ÷ÈËÖá³Ð
Download PDF ÏÂÔØPDFÎļþ     ´òÓ¡´ËÒ³Ãæ     Email Email·¢ËÍ´ËÒ³Ãæ     Save To Favorites Ìí¼Óµ½ÊղؼÐ
CSF32
CSF32



 Ïà¹ØÀà±ð 

CSF20
CSF20
Ìá½»ÐèÇó

CSF14-3516,CSF32



ÎÞÎýÊа®Ë¼Ã×»úе´«¶¯¿Æ¼¼ÓÐÏÞ¹«Ë¾Éú²úCSF,CSGϵÁÐг²¨¼õËÙ»ú¸ÖÐÔÖá³Ð£¬ÖÊÁ¿ºÃ£¬¼Û¸ñ±ãÒË£¬»¶Ó­Ñ¡¹º£¡


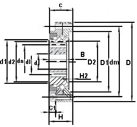
³ß´ç  ¡¤ ¹æ¸ñ
³ß´ç

Æ·ÅÆ

ASMI

ÐͺÅ

CSF14-3516

d

9

D

55

ÖØÁ¿

0.25


¹æ¸ñ

Öá³ÐÐͺÅ

CSF14-3516

Ö÷Òª³ß´ç(mm)

d

9

D

55

T

16.5

D1

49

D2

23

D21

14.5

D4

15.5

n1-d1

8-¦µ3.5

n2-d2

6-M4

n21-d21

6-M3

n3-d3

2-¦µ3

d31

---

t31

---

rsmin

0.3x45¡ã

»ù±¾¶î¶¨Ôغɣ¨KN£©

Cr

4.6

Cor

5.1

ÖÊÁ¿ (kg)

0.25


°æÈ¨ËùÓЩ 2016 °®Ë¼Ã×»úе´«¶¯¿Æ¼¼|ASMIÖá³Ð

ËÕICP±¸16054936ºÅ