ÎÞÎý°®Ë¼Ã×Öá³Ð£¬»úÆ÷ÈËÖá³Ð
Download PDF ÏÂÔØPDFÎļþ     ´òÓ¡´ËÒ³Ãæ     Email Email·¢ËÍ´ËÒ³Ãæ     Save To Favorites Ìí¼Óµ½ÊղؼÐ
CSF20
CSF20



 Ïà¹ØÀà±ð 

CSF17
CSF17
Ìá½»ÐèÇó

CSF20(CSG20),CSF20



ÎÞÎýÊа®Ë¼Ã×»úе´«¶¯¿Æ¼¼ÓÐÏÞ¹«Ë¾Éú²úCSF,CSGϵÁÐг²¨¼õËÙ»ú¸ÖÐÔÖá³Ð£¬ÖÊÁ¿ºÃ£¬¼Û¸ñ±ãÒË£¬»¶Ó­Ñ¡¹º£¡


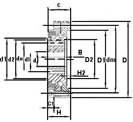
³ß´ç  ¡¤ ¹æ¸ñ
³ß´ç

Æ·ÅÆ

ASMI

ÐͺÅ

CSF20(CSG20)

d

14

D

70

ÖØÁ¿

0.36


¹æ¸ñ

Öá³ÐÐͺÅ

CSF20(CSG20)

Ö÷Òª³ß´ç(mm)

d

14

D

70

T

16.5

D1

64

D2

32

D21

24

D4

19

n1-d1

12-¦µ3.5

n2-d2

8-M6

n21-d21

8-M5

n3-d3

4-¦µ3

d31

4-¦µ2.8

t31

7

rsmin

0.3x45¡ã

»ù±¾¶î¶¨Ôغɣ¨KN£©

Cr

6.1

Cor

8.4

ÖÊÁ¿ (kg)

0.36


°æÈ¨ËùÓЩ 2016 °®Ë¼Ã×»úе´«¶¯¿Æ¼¼|ASMIÖá³Ð

ËÕICP±¸16054936ºÅ