|
|
|
Æ·ÅÆ
|
 |
ASMI |
|
ÐͺÅ
|
 |
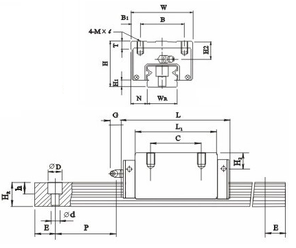
AGH 25SA |
|
d
|
 |
7 |
|
D
|
 |
11 |
|
B
|
 |
35 |
|
|
|
|
Öá³ÐÐͺÅ
|
AGH 25SA |
×é¼þ³ß´ç(mm) |
H
|
33 |
H1
|
7 |
N
|
12.5 |
»¬¿é³ß´ç(mm) |
W
|
48 |
B
|
35 |
B1
|
6.5 |
C
|
- |
L1
|
34.5 |
L
|
58.7 |
G
|
12 |
M¡Á¦É
|
M6¡Á9 |
T
|
8 |
H2
|
7 |
»¬¶¯Öá³ß´ç(mm) |
WR
|
23 |
HR
|
18.5 |
D
|
11 |
h
|
9 |
d
|
7 |
P
|
60 |
E
|
20 |
|
»¬¶¯ÖáµÄÂÝ˨´óС
|
M6¡Á20 |
|
¶¯ÔغÉC(kgf)
|
1080 |
|
¾²ÔغÉ(kgf)
|
1330 |
¾²Á¦¾Ø(kgf-m) |
MO
|
16.7 |
MX
|
7.8 |
MY
|
7.8 |
ÖØÁ¿ |
»¬¿é(kg)
|
0.34 |
»¬¶¯Öá(kg/m)
|
2.95 |
|
|
|