ÎÞÎý°®Ë¼Ã×Öá³Ð£¬»úÆ÷ÈËÖá³Ð
Download PDF ÏÂÔØPDFÎļþ     ´òÓ¡´ËÒ³Ãæ     Email Email·¢ËÍ´ËÒ³Ãæ     Save To Favorites Ìí¼Óµ½ÊղؼÐ
LGH..CA(HA) LGM..CA(HA)-1
LGH..CA(HA) LGM..CA(HA)-1



 Ïà¹ØÀà±ð 

LGH..CA(HA) LGM..CA(HA)-3
LGH..CA(HA) LGM..CA(HA)-3
Ìá½»ÐèÇó

LGH 30HA,LGH..CA(HA) LGM..CA(HA)-1




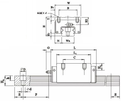
³ß´ç  ¡¤ ¹æ¸ñ
³ß´ç

Æ·ÅÆ

ASMI

ÐͺÅ

LGH 30HA

d

-

D

-

B

-


¹æ¸ñ

Öá³ÐÐͺÅ

LGH 30HA

×é¼þ³ß´ç(mm)

H

-

H1

-

N

-

»¬¿é³ß´ç(mm)

W

-

B

-

B1

-

C

60

L1

93

L

125.4

G

-

M¡Á¦É

-

T

-

H2

-

»¬¶¯Öá³ß´ç(mm)

WR

-

HR

-

D

-

h

-

d

-

P

-

E

-

»¬¶¯ÖáµÄÂÝ˨´óС

-

¶¯ÔغÉC(kgf)

4400

¾²ÔغÉ(kgf)

7100

¾²Á¦¾Ø(kgf-m)

MO

103

MX

100.4

MY

100.4

ÖØÁ¿

»¬¿é(kg)

1.33

»¬¶¯Öá(kg/m)

-


°æÈ¨ËùÓЩ 2016 °®Ë¼Ã×»úе´«¶¯¿Æ¼¼|ASMIÖá³Ð

ËÕICP±¸16054936ºÅ