ÎÞÎý°®Ë¼Ã×Öá³Ð£¬»úÆ÷ÈËÖá³Ð
Download PDF ÏÂÔØPDFÎļþ     ´òÓ¡´ËÒ³Ãæ     Email Email·¢ËÍ´ËÒ³Ãæ     Save To Favorites Ìí¼Óµ½ÊղؼÐ
7200 ϵÁÐ
7200 ϵÁÐ



 Ïà¹ØÀà±ð 

QJ200 ϵÁÐ
QJ200 ϵÁÐ
Ìá½»ÐèÇó

7201C,7200 ϵÁÐ



°®Ë¼Ã׽ǽӴ¥ÇòÖá³Ð7200ϵÁУ¬³¬¸ßתËÙ£¬¸ß¸ÕÐÔ£¬Ê¹ÓÃÊÙÃü³¤µÈÌØµã£¬¼Û¸ñ²»¹ó£¬ÉîÊܿͻ§Ï²»¶£¡

°®Ë¼Ã׽ǽӴ¥ÇòÖá³Ð£¬ÏÖ»õÏúÊÛ£¬¼Û¸ñ±ãÒË£¬Á¿´óÓŻݣ¬Ãâ·ÑÑùÆ·£¡


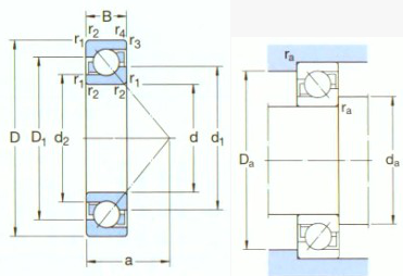
³ß´ç  ¡¤ ¹æ¸ñ
³ß´ç

Æ·ÅÆ

ASMI

ÐͺÅ

7201C

d

12

D

32

B

10

ÖØÁ¿

0.041


¹æ¸ñ

ÍâÐγߴ磨mm£©

d

12

D

32

B

10

r(×îС)

0.6

r1(×îС)

0.3

¶î¶¨ÔغÉ(N)

Cr

7900

Cor

3850

¶î¶¨ÔغÉ{kgf}

Cr

805

Cor

395

ϵÊýfo

12.5

¼«ÏÞתËÙ(rpm)

Ö¬Èó»¬

36000

ÓÍÈó»¬

50000

×÷ÓõãλÖÃ

a£¨mm£©

7.9

°²×°³ß´ç (mm)

da(×îС)

17

Da(×î´ó)

27

ra(×î´ó)

0.6

ÖØÁ¿(Kg)

0.041

Öá³Ð´úºÅ

µ¥ÁÐ

7201C

DB

7201DB

DF

7201DF

DT

7201DT

¶î¶¨ÔغÉ(³É¶ÔË«ÁªÐÍ)

Cr

12800

Cor

7700

¶î¶¨ÔغÉ(³É¶ÔË«ÁªÐÍ){kgf}

Cr

1310

Cor

785

¼«ÏÞתËÙ(rpm) (³É¶ÔË«ÁªÐÍ)

Ö¬Èó»¬

30000

ÓÍÈó»¬

40000

×÷ÓõãλÖÃ(³É¶ÔË«ÁªÐÍ)

a0(mm)±³¶Ô±³ÅäÖÃ

15.9

a0(mm)Ãæ¶ÔÃæÅäÖÃ

4.1

°²×°³ß´ç(³É¶ÔË«ÁªÐÍ)

db£¨×îС£©

-

Db£¨×î´ó£©

29.5

rb£¨×î´ó£©

0.3


°æÈ¨ËùÓЩ 2016 °®Ë¼Ã×»úе´«¶¯¿Æ¼¼|ASMIÖá³Ð

ËÕICP±¸16054936ºÅ