|
|
|
Æ·ÅÆ
|
 |
ASMI |
|
ÐͺÅ
|
 |
7003C |
|
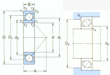
d
|
 |
17 |
|
D
|
 |
35 |
|
B
|
 |
10 |
|
ÖØÁ¿
|
 |
0.044 |
|
|
|
ÍâÐγߴ磨mm£© |
d
|
17 |
D
|
35 |
B
|
10 |
r(×îС)
|
0.3 |
r1(×îС)
|
0.15 |
¶î¶¨ÔغÉ(N) |
Cr
|
6600 |
Cor
|
3800 |
¶î¶¨ÔغÉ{kgf} |
Cr
|
675 |
Cor
|
390 |
|
ϵÊýfo
|
14.5 |
¼«ÏÞתËÙ(rpm) |
Ö¬Èó»¬
|
32000 |
ÓÍÈó»¬
|
43000 |
×÷ÓõãλÖà |
a£¨mm£©
|
8.5 |
°²×°³ß´ç (mm) |
da(×îС)
|
19.5 |
Da(×î´ó)
|
32.5 |
ra(×î´ó)
|
0.3 |
|
ÖØÁ¿(Kg)
|
0.044 |
Öá³Ð´úºÅ |
µ¥ÁÐ
|
7003C |
DB
|
7003DB |
DF
|
7003DF |
DT
|
7003DT |
¶î¶¨ÔغÉ(³É¶ÔË«ÁªÐÍ) |
Cr
|
10700 |
Cor
|
7600 |
¶î¶¨ÔغÉ(³É¶ÔË«ÁªÐÍ){kgf} |
Cr
|
1100 |
Cor
|
775 |
¼«ÏÞתËÙ(rpm) (³É¶ÔË«ÁªÐÍ) |
Ö¬Èó»¬
|
26000 |
ÓÍÈó»¬
|
34000 |
×÷ÓõãλÖÃ(³É¶ÔË«ÁªÐÍ) |
a0(mm)±³¶Ô±³ÅäÖÃ
|
17 |
a0(mm)Ãæ¶ÔÃæÅäÖÃ
|
3 |
°²×°³ß´ç(³É¶ÔË«ÁªÐÍ) |
db£¨×îС£©
|
- |
Db£¨×î´ó£©
|
33.8 |
rb£¨×î´ó£©
|
0.15 |
|
|
|