|
|
|
Æ·ÅÆ
|
 |
ASMI |
|
ÐͺÅ
|
 |
NJG2317VH |
|
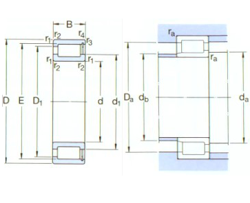
d
|
 |
118 |
|
D
|
 |
180 |
|
B
|
 |
60 |
|
ÖØÁ¿
|
 |
7.40 |
|
|
|
»ù±¾³ß´ç (mm) |
d
|
85 |
D
|
180 |
B
|
60 |
»ù±¾¶î¶¨¸ººÉ (KN) |
¶¯Ì¬
|
484 |
¾²Ì¬
|
620 |
|
Æ£À͸ººÉ¼«ÏÞ (kN)
|
76.5 |
¶î¶¨×ªËÙ (r/min) |
²Î¿¼×ªËÙ
|
1400 |
¶î¶¨×ªËÙ
|
1800 |
|
ÖØÁ¿ (kg)
|
7.40 |
ÐͺŠ|
±ê×¼±£³Ö¼Ü
|
NJG2317VH |
ÆäËû±£³Ö¼Ü
|
85 |
³ß´ç (mm) |
d
|
118 |
d1¡«
|
149 |
D1 ¡«
|
107 |
F,E
|
3 |
r1,2£¨×îС£©
|
- |
r3,4£¨×îС£©
|
4 |
s
|
99 |
°²×°³ß´ç (mm) |
da £¨×îС£©
|
113 |
da £¨×î´ó£©
|
104 |
Da(×îС)
|
166 |
Da £¨×î´ó£©
|
- |
ra £¨×î´ó£©
|
2.5 |
rb£¨×î´ó£©
|
- |
|
|
|