|
|
|
Æ·ÅÆ
|
 |
ASMI |
|
ÐͺÅ
|
 |
NU2205ECP |
|
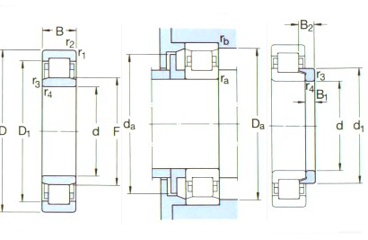
d
|
 |
25 |
|
D
|
 |
52 |
|
B
|
 |
18 |
|
ÖØÁ¿
|
 |
0.014 |
|
|
|
»ù±¾³ß´ç (mm) |
d
|
25 |
D
|
52 |
B
|
18 |
»ù±¾¶î¶¨¸ººÉ (KN) |
¶¯Ì¬
|
34.1 |
¾²Ì¬
|
34 |
|
Æ£À͸ººÉ¼«ÏÞ (kN)
|
4.25 |
¶î¶¨×ªËÙ (r/min) |
²Î¿¼×ªËÙ
|
14000 |
¶î¶¨×ªËÙ
|
16000 |
|
ÖØÁ¿ (kg)
|
0.17 |
ÐͺŠ|
±ê×¼±£³Ö¼Ü
|
NU2205ECP |
ÆäËû±£³Ö¼Ü
|
ML |
³ß´ç (mm) |
d
|
25 |
d1¡«
|
34.7 |
D1 ¡«
|
43.8 |
F,E
|
31.5 |
r1,2£¨×îС£©
|
1 |
r3,4£¨×îС£©
|
0.6 |
s
|
1.8 |
°²×°³ß´ç (mm) |
da £¨×îС£©
|
29.2 |
da £¨×î´ó£©
|
30 |
Da£¨×îС£©
|
33 |
Da £¨×î´ó£©
|
46.4 |
ra £¨×î´ó£©
|
1 |
rb£¨×î´ó£©
|
0.6 |
|
¼ÆËãϵÊý
|
0.20 |
½Ç»· |
ÐͺÅ
|
HJ2205EC |
ÖØÁ¿
|
0.014 |
B1
|
3 |
B2
|
6.5 |
|
|
|