|
|
|
Æ·ÅÆ
|
 |
ASMI |
|
ÐͺÅ
|
 |
*23132CCK/W33 |
|
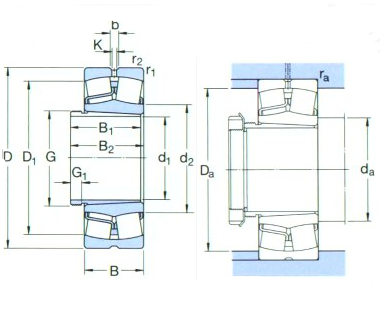
D
|
 |
270 |
|
B
|
 |
86 |
|
ÖØÁ¿
|
 |
23.0 |
|
|
|
»ù±¾³ß´ç (mm) |
d1
|
150 |
D
|
270 |
B
|
86 |
»ù±¾¶î¶¨¸ººÉ (KN) |
¶¯Ì¬
|
980 |
¾²Ì¬
|
1370 |
|
Æ£À͸ººÉ¼«ÏÞ (kN)
|
129 |
¶î¶¨×ªËÙ (r/min) |
²Î¿¼×ªËÙ
|
1900 |
¶î¶¨×ªËÙ
|
2400 |
|
ÖØÁ¿£ºÖá³Ð+ ÍËжÌ× (kg)
|
23.0 |
ÐͺŠ|
Öá³Ð
|
*23132CCK/W33 |
ÍËжÌ×
|
AH3132G |
³ß´ç (mm) |
d1
|
150 |
d2¡«
|
184 |
D1 ¡«
|
234 |
B1
|
103 |
B2
|
108 |
G
|
M170 |
G1
|
16 |
b
|
13.9 |
k
|
7.5 |
r1,2£¨×îС£©
|
2.1 |
°²×°³ß´ç (mm) |
da £¨×î´ó£©
|
172 |
Da £¨×î´ó£©
|
258 |
ra £¨×î´ó£©
|
2 |
¼ÆËãϵÊý |
e
|
0.30 |
Y1
|
2.3 |
Y2
|
3.4 |
Y0
|
2.2 |
|
|
|