|
|
|
Æ·ÅÆ
|
 |
ASMI |
|
ÐͺÅ
|
 |
*22326CCK/W33 |
|
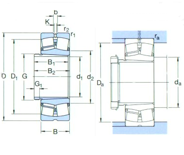
D
|
 |
280 |
|
B
|
 |
93 |
|
ÖØÁ¿
|
 |
30.5 |
|
|
|
»ù±¾³ß´ç (mm) |
d1
|
125 |
D
|
280 |
B
|
93 |
»ù±¾¶î¶¨¸ººÉ (KN) |
¶¯Ì¬
|
1120 |
¾²Ì¬
|
1320 |
|
Æ£À͸ººÉ¼«ÏÞ (kN)
|
114 |
¶î¶¨×ªËÙ (r/min) |
²Î¿¼×ªËÙ
|
1800 |
¶î¶¨×ªËÙ
|
2400 |
|
ÖØÁ¿£ºÖá³Ð+ ÍËжÌ× (kg)
|
30.5 |
ÐͺŠ|
Öá³Ð
|
*22326CCK/W33 |
ÍËжÌ×
|
AHX2326G |
³ß´ç (mm) |
d1
|
125 |
d2¡«
|
164 |
D1 ¡«
|
233 |
B1
|
115 |
B2
|
119 |
G
|
M140 |
G1
|
19 |
b
|
16.7 |
k
|
9 |
r1,2£¨×îС£©
|
4 |
°²×°³ß´ç (mm) |
da £¨×î´ó£©
|
147 |
Da £¨×î´ó£©
|
263 |
ra £¨×î´ó£©
|
3 |
¼ÆËãϵÊý |
e
|
0.35 |
Y1
|
1.9 |
Y2
|
2.9 |
Y0
|
1.8 |
|
|
|