|
|
|
Æ·ÅÆ
|
 |
ASMI |
|
ÐͺÅ
|
 |
*24128CCK30/W33 |
|
D
|
 |
225 |
|
B
|
 |
85 |
|
ÖØÁ¿
|
 |
14.3 |
|
|
|
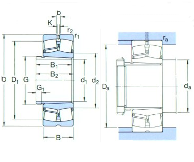
»ù±¾³ß´ç (mm) |
d1
|
135 |
D
|
225 |
B
|
85 |
»ù±¾¶î¶¨¸ººÉ (KN) |
¶¯Ì¬
|
765 |
¾²Ì¬
|
1160 |
|
Æ£À͸ººÉ¼«ÏÞ (kN)
|
112 |
¶î¶¨×ªËÙ (r/min) |
²Î¿¼×ªËÙ
|
1700 |
¶î¶¨×ªËÙ
|
2400 |
|
ÖØÁ¿£ºÖá³Ð+ ÍËжÌ× (kg)
|
14.3 |
ÐͺŠ|
Öá³Ð
|
*24128CCK30/W33 |
ÍËжÌ×
|
AH24128 |
³ß´ç (mm) |
d1
|
135 |
d2¡«
|
156 |
D1 ¡«
|
193 |
B1
|
99 |
B2
|
109 |
G
|
M150 |
G1
|
14 |
b
|
8.3 |
k
|
4.5 |
r1,2£¨×îС£©
|
2.1 |
°²×°³ß´ç (mm) |
da £¨×î´ó£©
|
152 |
Da £¨×î´ó£©
|
213 |
ra £¨×î´ó£©
|
2 |
¼ÆËãϵÊý |
e
|
0.35 |
Y1
|
1.9 |
Y2
|
2.9 |
Y0
|
1.8 |
|
|
|