|
|
|
Æ·ÅÆ
|
 |
ASMI |
|
ÐͺÅ
|
 |
*23036CCK/W33 |
|
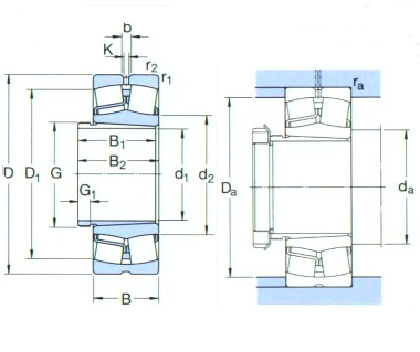
D
|
 |
280 |
|
B
|
 |
74 |
|
ÖØÁ¿
|
 |
19.3 |
|
|
|
»ù±¾³ß´ç (mm) |
d1
|
170 |
D
|
280 |
B
|
74 |
»ù±¾¶î¶¨¸ººÉ (KN) |
¶¯Ì¬
|
830 |
¾²Ì¬
|
1250 |
|
Æ£À͸ººÉ¼«ÏÞ (kN)
|
114 |
¶î¶¨×ªËÙ (r/min) |
²Î¿¼×ªËÙ
|
2000 |
¶î¶¨×ªËÙ
|
2600 |
|
ÖØÁ¿£ºÖá³Ð+ ÍËжÌ× (kg)
|
19.3 |
ÐͺŠ|
Öá³Ð
|
*23036CCK/W33 |
ÍËжÌ×
|
AH3036 |
³ß´ç (mm) |
d1
|
170 |
d2¡«
|
204 |
D1 ¡«
|
249 |
B1
|
92 |
B2
|
98 |
G
|
M190 |
G1
|
17 |
b
|
13.9 |
k
|
7.5 |
r1,2£¨×îС£©
|
2.1 |
°²×°³ß´ç (mm) |
da £¨×î´ó£©
|
191 |
Da £¨×î´ó£©
|
269 |
ra £¨×î´ó£©
|
2 |
¼ÆËãϵÊý |
e
|
0.24 |
Y1
|
2.8 |
Y2
|
4.2 |
Y0
|
2.8 |
|
|
|