|
|
|
Æ·ÅÆ
|
 |
ASMI |
|
ÐͺÅ
|
 |
*22244CCK/W33 |
|
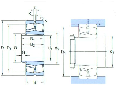
D
|
 |
400 |
|
B
|
 |
108 |
|
ÖØÁ¿
|
 |
68.0 |
|
|
|
»ù±¾³ß´ç (mm) |
d1
|
200 |
D
|
400 |
B
|
108 |
»ù±¾¶î¶¨¸ººÉ (KN) |
¶¯Ì¬
|
1760 |
¾²Ì¬
|
2360 |
|
Æ£À͸ººÉ¼«ÏÞ (kN)
|
196 |
¶î¶¨×ªËÙ (r/min) |
²Î¿¼×ªËÙ
|
1500 |
¶î¶¨×ªËÙ
|
2000 |
|
ÖØÁ¿£ºÖá³Ð+ ÍËжÌ× (kg)
|
68.0 |
ÐͺŠ|
Öá³Ð
|
*22244CCK/W33 |
ÍËжÌ×
|
AOH2244 |
³ß´ç (mm) |
d1
|
200 |
d2¡«
|
263 |
D1 ¡«
|
346 |
B1
|
130 |
B2
|
136 |
G
|
Tr240 |
G1
|
20 |
b
|
16.7 |
k
|
9 |
r1,2£¨×îС£©
|
4 |
°²×°³ß´ç (mm) |
da £¨×î´ó£©
|
237 |
Da £¨×î´ó£©
|
383 |
ra £¨×î´ó£©
|
3 |
¼ÆËãϵÊý |
e
|
0.27 |
Y1
|
2.5 |
Y2
|
3.7 |
Y0
|
2.5 |
|
|
|