|
|
|
Æ·ÅÆ
|
 |
ASMI |
|
ÐͺÅ
|
 |
33117/Q |
|
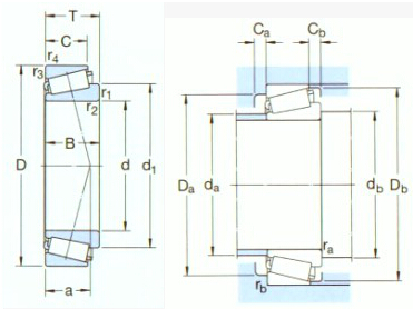
d
|
 |
3DE |
|
D
|
 |
140 |
|
B
|
 |
112 |
|
ÖØÁ¿
|
 |
2.45 |
|
|
|
»ù±¾³ß´ç (mm) |
d1
|
85 |
D
|
140 |
B
|
41 |
»ù±¾¶î¶¨¸ººÉ (KN) |
¶¯Ì¬
|
220 |
¾²Ì¬
|
340 |
|
Æ£À͸ººÉ¼«ÏÞ (kN)
|
38 |
¶î¶¨×ªËÙ (r/min) |
²Î¿¼×ªËÙ
|
3400 |
¶î¶¨×ªËÙ
|
4500 |
|
ÖØÁ¿ (kg)
|
2.45 |
|
ÐͺÅ
|
33117/Q |
³ß´ç (mm) |
d
|
3DE |
d1¡«
|
85 |
B
|
112 |
C
|
41 |
|
ά¶È(ABMA)
|
32 |
³ß´ç (mm) |
r1,2£¨×îС£©
|
2.5 |
r3,4£¨×îС£©
|
2 |
a
|
32 |
°²×°³ß´ç (mm) |
da £¨×î´ó£©
|
95 |
da £¨×îС£©
|
95 |
Da (×îС)
|
122 |
Da £¨×î´ó£©
|
130 |
Db(×îС)
|
135 |
Ca(×îС)
|
7 |
Cb(×îС)
|
9 |
ra £¨×î´ó£©
|
2 |
rb£¨×î´ó£©
|
2 |
¼ÆËãϵÊý |
e
|
0.4 |
Y
|
1.5 |
Yo
|
0.8 |
|
|
|