|
|
|
Æ·ÅÆ
|
 |
ASMI |
|
ÐͺÅ
|
 |
32211J2/Q |
|
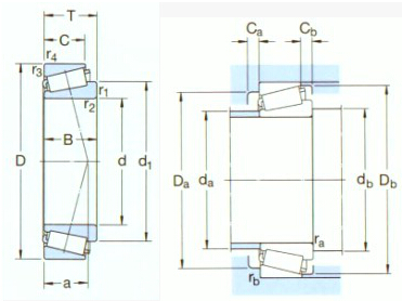
d
|
 |
3DC |
|
D
|
 |
100 |
|
B
|
 |
75.2 |
|
ÖØÁ¿
|
 |
0.83 |
|
|
|
»ù±¾³ß´ç (mm) |
d1
|
55 |
D
|
100 |
B
|
26.75 |
»ù±¾¶î¶¨¸ººÉ (KN) |
¶¯Ì¬
|
106 |
¾²Ì¬
|
129 |
|
Æ£À͸ººÉ¼«ÏÞ (kN)
|
15 |
¶î¶¨×ªËÙ (r/min) |
²Î¿¼×ªËÙ
|
5000 |
¶î¶¨×ªËÙ
|
6700 |
|
ÖØÁ¿ (kg)
|
0.83 |
|
ÐͺÅ
|
32211J2/Q |
³ß´ç (mm) |
d
|
3DC |
d1¡«
|
55 |
B
|
75.2 |
C
|
25 |
|
ά¶È(ABMA)
|
21 |
³ß´ç (mm) |
r1,2£¨×îС£©
|
2 |
r3,4£¨×îС£©
|
1.5 |
a
|
22 |
°²×°³ß´ç (mm) |
da £¨×î´ó£©
|
64 |
da £¨×îС£©
|
64 |
Da (×îС)
|
87 |
Da £¨×î´ó£©
|
93 |
Db(×îС)
|
95 |
Ca(×îС)
|
4 |
Cb(×îС)
|
5.5 |
ra £¨×î´ó£©
|
2 |
rb£¨×î´ó£©
|
1.5 |
¼ÆËãϵÊý |
e
|
0.4 |
Y
|
1.5 |
Yo
|
0.8 |
|
|
|