ÎÞÎý°®Ë¼Ã×Öá³Ð£¬»úÆ÷ÈËÖá³Ð
Download PDF ÏÂÔØPDFÎļþ     ´òÓ¡´ËÒ³Ãæ     Email Email·¢ËÍ´ËÒ³Ãæ     Save To Favorites Ìí¼Óµ½ÊղؼÐ

¾ÉÐͺÅϵÁÐ

ÔÚÒÔÏÂÿ¸öϵÁÐ×ó²àµÄ·½¿òÖÐÇëÏÈ´ò¶Ô¹´Ñ¡ÔñÒ»¸öϵÁУ¬È»ºó¼´¿ÉÖ´ÐиÃÒ³ÃæÆäËü¹¦ÄܵIJÙ×÷¡£
¸ù¾Ý¼¼Êõ²ÎÊý¼ìË÷
¾ÉÐͺÅϵÁÐ
¾ÉÐͺÅϵÁÐ



Ìá½»ÐèÇó
  
ϵÁжԱÈ
   
   ×ܹ²42Ìõ£¬µ±Ç°ÎªµÚ 1Ìõµ½µÚ42Ìõ
1

Ñ¡Ôñ

Æ·ÅÆ

¾ÉÐͺÅ

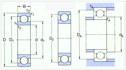
ÍâÐγߴç

ÖØÁ¿(Kg)

d

D

B

ASMI R1212-2RS 12.7 19.5 3.969 -
ASMI MF74ZZ 4 7 2.5 -
ASMI MF85 5 8 2.5 -
ASMI MF85ZZ 5 8 2.5 -
ASMI MF85-2RS 5 8 2.5 -
ASMI MR85-2TS 5 8 2.5 -
ASMI MR84ZZ 4 8 3 -
ASMI MF84ZZ 4 8 3 -
ASMI MF84-2RS 4 8 3 -
ASMI MR84-2RS 4 8 3 -
ASMI MR84-2TS 4 8 3 -
ASMI SMR84ZZ 4 8 3 -
ASMI MR95ZZ 5 9 3 -
ASMI MF95ZZ 5 9 3 -
ASMI MR95-2RS 5 9 3 -
ASMI MR95-2R\TS 5 9 3 -
ASMI MR105ZZ 5 10 4 -
ASMI MF105-2RS 5 10 4 -
ASMI MF105-2TS 5 10 4 -
ASMI MF105ZZ 5 10 4 -
ASMI MF105-2RS 5 10 4 -
ASMI MF105-2TS 5 10 4 -
ASMI MF63ZZ 3 6 2.5 -
ASMI MR115-2TS 5 11 4 -
ASMI 686-2TS 6 13 5 -
ASMI 688-2TS 8 16 5 -
ASMI 683-2TS 3 7 3 -
ASMI MR104ZZ 4 10 4 -
ASMI MF104ZZ 4 10 4 -
ASMI F696ZZ 6 15 5 -
ASMI 698-2TS 8 19 6 -
ASMI 734 170 230 38 -
ASMI 752 260 370 46 -
ASMI 956 280 375 65 -
ASMI 360111A 55 90 17.5 -
ASMI 128K 140 209.5 33 -
ASMI 130K 150 224.5 35 -
ASMI 134KH 170 265 42 -
ASMI 136Y 180 260 42 -
ASMI 840 200 289.5 38 -
ASMI 160KH 300 459.6 74 -
ASMI 8000206/P63Z2 30 62 10 -
>>
<<
   ×ܹ²42Ìõ£¬µ±Ç°ÎªµÚ 1Ìõµ½µÚ42Ìõ
1
°æÈ¨ËùÓЩ 2025 °®Ë¼Ã×»úе´«¶¯¿Æ¼¼|ASMIÖá³Ð

ËÕICP±¸16054936ºÅ