ÎÞÎý°®Ë¼Ã×Öá³Ð£¬»úÆ÷ÈËÖá³Ð
Download PDF ÏÂÔØPDFÎļþ     ´òÓ¡´ËÒ³Ãæ     Email Email·¢ËÍ´ËÒ³Ãæ     Save To Favorites Ìí¼Óµ½ÊղؼÐ

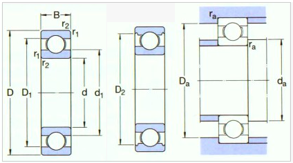
630 ϵÁÐ

ÔÚÒÔÏÂÿ¸öϵÁÐ×ó²àµÄ·½¿òÖÐÇëÏÈ´ò¶Ô¹´Ñ¡ÔñÒ»¸öϵÁУ¬È»ºó¼´¿ÉÖ´ÐиÃÒ³ÃæÆäËü¹¦ÄܵIJÙ×÷¡£
¸ù¾Ý¼¼Êõ²ÎÊý¼ìË÷
630 ϵÁÐ
630 ϵÁÐ



Ìá½»ÐèÇó
  
ϵÁжԱÈ
   
   ×ܹ²150Ìõ£¬µ±Ç°ÎªµÚ 1Ìõµ½µÚ50Ìõ
1 2 3

Ñ¡Ôñ

Æ·ÅÆ

ÐÂÐͺÅ

¾ÉÐͺÅ

ÍâÐγߴç

ÖØÁ¿(Kg)

d

D

B

ASMI 637/2.5-2Z 308007/2.5 2.5 5 2.3 -
ASMI 637/3-2RS MR63-2RS 3 6 2.5 -
ASMI 637/3-2Z MR63ZZ 3 6 2.5 -
ASMI 637/9-2Z 9 14 3 -
ASMI 637/4X1-2Z 3080074K 4 8 3 -
ASMI 637/5X2-2Z 3080075K 5 8 4 -
ASMI 638/1 2000081 1 3 1.5 0.0001
ASMI 638/1.5/YA 7/1.5K 1.5 4 2 -
ASMI 638/2-2Z 628ZZ 2 5 2.3 0.0002
ASMI 638/3-2Z 3080083 3 7 3 0.0005
ASMI 638/4 4 9 4 -
ASMI 638/4-2Z 3080084 4 9 4 -
ASMI 638/4-2Z/HV S684ZZ 4 9 4 -
ASMI 638/4-Z 3060084 4 9 4 -
ASMI 638/4-2Z/P6 E2080084 4 9 4 -
ASMI 638/4-2Z/P6V2 E2080084V2 4 9 4 -
ASMI 638/4-2ZV2 2080084V2 4 9 4 -
ASMI 638/5 3000085 5 11 5 -
ASMI 638/5-2RS 3180085 5 11 5 -
ASMI 638/5-2Z 3080085 5 11 5 -
ASMI 638/5-2Z/P6 E2080085 5 11 5 -
ASMI 638/5-2Z/P6V2 E2080085V2 5 11 5 -
ASMI 638/5-2ZV2 2080085V2 5 11 5 -
ASMI 638/5-2Z/HV S685ZZ 5 11 5 -
ASMI 638/5-2ZLH 5 11 5 -
ASMI 638/5-RS 3160085 5 11 5 0.0015
ASMI 638/8-2Z 3080088 8 16 6 -
ASMI 638/1.5X2 7/1.5 1.5 4 1.6 0.0001
ASMI 638/1.5X2-Z 6007/1.5 1.5 4 1.6 -
ASMI 638/1.5X2-Z/P53 3D6007/1.5 1.5 4 1.6 -
ASMI 638/1.5X2-Z/P5T D6007/1.5M 1.5 5 1.6 -
ASMI 638/2X2 2000082 2 5 2.5 0.0002
ASMI 638/2X2/P5 D2000082 2 5 2.5 0.0002
ASMI 638/2X2/P6 E2000082 2 5 2.5 0.0002
ASMI 638/2X2-2Z 2080052 2 5 2.5 0.0002
ASMI 638/2X2-Z 2060082 2 5 2.5 0.0002
ASMI 638/2.5X2 200008/2.5 2.5 6 2.5 0.0003
ASMI 638/2.5X25 D200008/2.5 2.5 6 2.5 0.0003
ASMI 638/2.5X26 E200008/2.5 2.5 6 2.5 0.0003
ASMI 638/2.5X2-2Z 208008/2.5 2.5 6 2.5 -
ASMI 638/2.5X2-Z 206008/2.5 2.5 6 2.5 -
ASMI 638/4X1 3080084K 4 10 4 -
ASMI 639/2 3000092 2 6 3 -
ASMI 639/2-2Z 692ZZ 2 6 3 -
ASMI 639/2.5 300009/2.5 2.5 7 3.5 -
ASMI 639/3-2Z 3 8 4 -
ASMI 639/3-2Z/HV 3 8 4 -
ASMI 639/3-2ZLTN1 3 8 4 -
ASMI 639/3-2ZLHTN1 3 8 4 -
ASMI 639/3 2000093 3 8 4 0.0011
>>
<<
   ×ܹ²150Ìõ£¬µ±Ç°ÎªµÚ 1Ìõµ½µÚ50Ìõ
1 2 3
°æÈ¨ËùÓЩ 2025 °®Ë¼Ã×»úе´«¶¯¿Æ¼¼|ASMIÖá³Ð

ËÕICP±¸16054936ºÅ