ÎÞÎý°®Ë¼Ã×Öá³Ð£¬»úÆ÷ÈËÖá³Ð
Download PDF ÏÂÔØPDFÎļþ     ´òÓ¡´ËÒ³Ãæ     Email Email·¢ËÍ´ËÒ³Ãæ     Save To Favorites Ìí¼Óµ½ÊղؼÐ

33200 ϵÁÐ

ÔÚÒÔÏÂÿ¸öϵÁÐ×ó²àµÄ·½¿òÖÐÇëÏÈ´ò¶Ô¹´Ñ¡ÔñÒ»¸öϵÁУ¬È»ºó¼´¿ÉÖ´ÐиÃÒ³ÃæÆäËü¹¦ÄܵIJÙ×÷¡£
¸ù¾Ý¼¼Êõ²ÎÊý¼ìË÷
33200 ϵÁÐ
33200 ϵÁÐ



Ìá½»ÐèÇó
  
ϵÁжԱÈ
   
   ×ܹ²15Ìõ£¬µ±Ç°ÎªµÚ 1Ìõµ½µÚ15Ìõ
1

Ñ¡Ôñ

Æ·ÅÆ

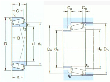
»ù±¾³ß´ç (mm)

»ù±¾¶î¶¨¸ººÉ (KN)

Æ£À͸ººÉ¼«ÏÞ (kN)

¶î¶¨×ªËÙ (r/min)

ÖØÁ¿ (kg)

ÐͺÅ

³ß´ç (mm)

ά¶È(ABMA)

°²×°³ß´ç (mm)

¼ÆËãϵÊý

d1

D

B

¶¯Ì¬

¾²Ì¬

²Î¿¼×ªËÙ

¶î¶¨×ªËÙ

d

d1¡«

B

C

r1,2£¨×îС£©

r3,4£¨×îС£©

a

da £¨×î´ó£©

da £¨×îС£©

Da (×îС)

Da £¨×î´ó£©

Db(×îС)

Ca(×îС)

Cb(×îС)

ra £¨×î´ó£©

rb£¨×î´ó£©

e

Y

Yo

ASMI 30 62 25 75 76.5 8.5 8500 11000 0.37 33206/Q 2DE 30 45.8 25 19.5 1 1 16 36 36 53 56 59 5 5.5 1 1 0.35 1.7 0.9
ASMI 40 80 32 120 132 15 6300 8500 0.77 33208/QCL7C 2DE 40 59.7 32 25 1.5 1.5 21 47 47 67 73 76 5 7 1.5 1.5 0.35 1.7 0.9
ASMI 45 85 32 108 143 16.3 5300 7500 0.82 33209/Q 3DE 45 65.2 32 25 1.5 1.5 22 52 52 72 78 81 5 7 1.5 1.5 0.4 1.5 0.8
ASMI 50 90 32 114 160 18.3 5000 7000 0.90 33210/Q 3DE 50 70.7 32 24.5 1.5 1.5 23 57 57 77 83 87 5 7.5 1.5 1.5 0.4 1.5 0.8
ASMI 55 100 35 138 190 21.6 4500 6300 1.20 33211/Q 3DE 55 77.6 35 27 2 1.5 25 63 64 85 93 96 6 8 2 1.5 0.4 1.5 0.8
ASMI 60 110 38 168 236 26.5 4000 6000 1.60 33212/Q 3EE 60 85.3 38 29 2 1.5 27 69 68 93 103 105 6 9 2 1.5 0.4 1.5 0.8
ASMI 65 120 41 194 270 30.5 3800 5300 2.05 33213/Q 3EE 65 92.1 41 32 2 1.5 29 75 74 102 113 115 6 9 2 1.5 0.4 1.5 0.8
ASMI 65 120 41 194 270 30.5 3800 5300 2.05 33213TN9/Q 3EE 65 92.1 41 32 2 1.5 29 75 74 102 113 115 6 9 2 1.5 0.4 1.5 0.8
ASMI 70 125 41 201 285 32.5 3600 5000 2.10 33214/Q 3EE 70 97.2 41 32 2 1.5 30 79 78 107 115 120 6 9 2 1.5 0.4 1.5 0.8
ASMI 75 130 41 209 300 34 3400 4800 2.25 33215/Q 3EE 75 102 41 31 2 1.5 32 84 84 111 122 125 6 10 2 1.5 0.43 1.4 0.8
ASMI 80 140 46 251 375 41.5 3200 4500 2.90 33216/Q 3EE 80 110 46 35 2.5 2 35 89 90 119 130 135 7 11 2 2 0.43 1.4 0.8
ASMI 85 150 49 286 430 48 3000 4300 3.70 33217/Q 3EE 85 117 49 37 2.5 2 37 96 95 128 140 144 7 12 2 2 0.43 1.4 0.8
ASMI 95 170 58 374 560 62 2600 3800 5.50 33219 3FE 95 132 58 44 3 2.5 42 107 107 144 158 163 9 14 2.5 2 0.40 1.5 0.8
ASMI 100 180 63 429 655 71 2400 3600 6.95 33220 3FE 100 139 63 48 3 2.5 43 112 112 151 168 172 10 15 2.5 2 0.4 1.5 0.8
ASMI 160 340 75 913 1180 114 1500 2000 29.0 30332J2 2GB 160 233 68 58 5 4 61 201 180 290 323 310 9 17 4 3 0.35 1.7 0.9
>>
<<
   ×ܹ²15Ìõ£¬µ±Ç°ÎªµÚ 1Ìõµ½µÚ15Ìõ
1
°æÈ¨ËùÓЩ 2025 °®Ë¼Ã×»úе´«¶¯¿Æ¼¼|ASMIÖá³Ð

ËÕICP±¸16054936ºÅ