ÎÞÎý°®Ë¼Ã×Öá³Ð£¬»úÆ÷ÈËÖá³Ð
Download PDF ÏÂÔØPDFÎļþ     ´òÓ¡´ËÒ³Ãæ     Email Email·¢ËÍ´ËÒ³Ãæ     Save To Favorites Ìí¼Óµ½ÊղؼÐ

31300 ϵÁÐ

ÔÚÒÔÏÂÿ¸öϵÁÐ×ó²àµÄ·½¿òÖÐÇëÏÈ´ò¶Ô¹´Ñ¡ÔñÒ»¸öϵÁУ¬È»ºó¼´¿ÉÖ´ÐиÃÒ³ÃæÆäËü¹¦ÄܵIJÙ×÷¡£
¸ù¾Ý¼¼Êõ²ÎÊý¼ìË÷
31300 ϵÁÐ
31300 ϵÁÐ



Ìá½»ÐèÇó
  
ϵÁжԱÈ
   
   ×ܹ²20Ìõ£¬µ±Ç°ÎªµÚ 1Ìõµ½µÚ20Ìõ
1

Ñ¡Ôñ

Æ·ÅÆ

»ù±¾³ß´ç (mm)

»ù±¾¶î¶¨¸ººÉ (KN)

Æ£À͸ººÉ¼«ÏÞ (kN)

¶î¶¨×ªËÙ (r/min)

ÖØÁ¿ (kg)

ÐͺÅ

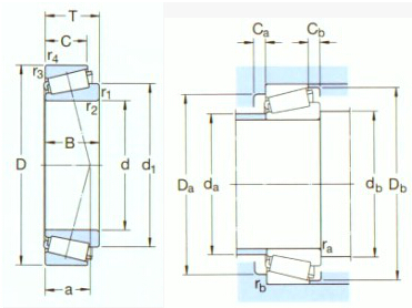
³ß´ç (mm)

ά¶È(ABMA)

°²×°³ß´ç (mm)

¼ÆËãϵÊý

d1

D

B

¶¯Ì¬

¾²Ì¬

²Î¿¼×ªËÙ

¶î¶¨×ªËÙ

d

d1¡«

B

C

r1,2£¨×îС£©

r3,4£¨×îС£©

a

da £¨×î´ó£©

da £¨×îС£©

Da (×îС)

Da £¨×î´ó£©

Db(×îС)

Ca(×îС)

Cb(×îС)

ra £¨×î´ó£©

rb£¨×î´ó£©

e

Y

Yo

ASMI 30 72 20.75 55 50 5.7 7500 9500 0.39 31306J2/Q 7FB 30 52.7 19 14 1.5 1.5 22 40 37 55 65 68 3 6.5 1.5 1.5 0.83 0.72 0.4
ASMI 35 80 22.75 71 67 7.8 6300 8500 0.52 31307J2/Q 7FB 35 59.6 21 15 2 1.5 25 45 44 62 71 76 3 7.5 2 1.5 0.83 0.72 0.4
ASMI 40 90 25.25 85 81.5 9.5 5600 7500 0.72 31308J2/QCL7C 7FB 40 67.1 23 17 2 1.5 28 51 49 71 81 86 3 8 2 1.5 0.83 0.72 0.4
ASMI 45 100 27.25 106 102 12.5 5000 6700 0.95 31309J2/QCL7C 7FB 45 74.7 25 18 2 1.5 31 57 53 79 91 95 4 9 2 1.5 0.83 0.72 0.4
ASMI 50 110 29.25 122 120 14.3 4500 6000 1.20 31310J2/QCL7C 7FB 50 81.5 27 19 2.5 2 34 62 60 87 100 104 4 10 2 2 0.83 0.72 0.4
ASMI 55 120 31.5 140 137 16.6 4300 5600 1.55 31311J2/QCL7C 7FB 55 88.4 29 21 2.5 2 37 68 65 94 112 113 4 10.5 2 2 0.83 0.72 0.4
ASMI 60 130 33.5 166 166 20.4 3800 5300 1.90 31312J2/QCL7C 7FB 60 95.9 31 22 3 2.5 39 74 72 103 118 123 5 11.5 2.5 2 0.83 0.72 0.4
ASMI 65 140 36 190 193 23.6 3600 4800 2.35 31313J2/QCL7C 7GB 65 103 33 23 3 2.5 42 80 77 111 128 132 5 13 2.5 2 0.83 0.72 0.4
ASMI 70 150 38 216 220 27 3400 4500 2.95 31314J2/QCL7C 7GB 70 110 35 25 3 2.5 45 85 82 118 138 141 5 13 2.5 2 0.83 0.72 0.4
ASMI 75 160 40 240 245 29 3200 4300 3.50 31315J2/QCL7C 7GB 75 116 37 26 3 2.5 48 91 87 127 148 151 6 14 2.5 2 0.83 0.72 0.4
ASMI 80 170 42.5 260 265 32 3000 4000 4.05 31316J1/QCL7C 7GB 80 124 39 27 3 2.5 52 97 92 134 158 159 6 15.5 2.5 2 0.83 0.72 0.4
ASMI 85 180 44.5 242 285 33.5 2600 3800 4.60 31317J2 7GB 85 131 41 28 4 3 55 103 99 143 166 169 6 16.5 3 2.5 0.83 0.72 0.4
ASMI 90 190 46.5 264 315 36.5 2400 3400 5.90 31318J2 7GB 90 138 43 30 4 3 57 109 105 151 176 179 5 16.5 3 2.5 0.83 0.72 0.4
ASMI 95 200 49.5 292 355 39 2400 3400 6.95 31319J2 7GB 95 145 45 32 4 3 60 114 110 157 186 187 5 17.5 3 2.5 0.83 0.72 0.4
ASMI 100 215 56.5 430 465 51 2400 3000 8.60 31320XJ2/CL7CVQ051 7GB 100 158 51 35 4 3 65 121 115 168 201 202 7 21.5 3 2.5 0.83 0.72 0.4
ASMI 110 240 63 457 585 62 1900 2800 12.0 31322XJ2 7GB 110 176 57 38 4 3 72 135 125 188 226 224 7 25 3 2.5 0.83 0.72 0.4
ASMI 120 260 68 539 695 73.5 1700 2400 15.5 31324XJ2 7GB 120 190 62 42 4 3 78 145 135 203 245 244 9 26 3 2.5 0.83 0.72 0.4
ASMI 130 280 72 605 780 81.5 1600 2400 18.5 31326XJ2 7GB 130 204 66 44 5 4 84 157 150 218 263 261 8 28 4 3 0.83 0.72 0.4
ASMI 140 300 77 693 900 88 1500 2200 24.5 31328XJ2 7GB 140 219 70 47 5 4 90 169 160 235 283 280 9 30 4 3 0.83 0.72 0.4
ASMI 150 320 82 781 1020 100 1400 2000 29.5 31330XJ2 7GB 150 234 75 50 5 4 96 181 170 251 303 300 9 32 4 3 0.83 0.72 0.4
>>
<<
   ×ܹ²20Ìõ£¬µ±Ç°ÎªµÚ 1Ìõµ½µÚ20Ìõ
1
°æÈ¨ËùÓЩ 2025 °®Ë¼Ã×»úе´«¶¯¿Æ¼¼|ASMIÖá³Ð

ËÕICP±¸16054936ºÅ