ÎÞÎý°®Ë¼Ã×Öá³Ð£¬»úÆ÷ÈËÖá³Ð
Download PDF ÏÂÔØPDFÎļþ     ´òÓ¡´ËÒ³Ãæ     Email Email·¢ËÍ´ËÒ³Ãæ     Save To Favorites Ìí¼Óµ½ÊղؼÐ

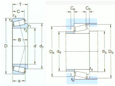
30300 ϵÁÐ

ÔÚÒÔÏÂÿ¸öϵÁÐ×ó²àµÄ·½¿òÖÐÇëÏÈ´ò¶Ô¹´Ñ¡ÔñÒ»¸öϵÁУ¬È»ºó¼´¿ÉÖ´ÐиÃÒ³ÃæÆäËü¹¦ÄܵIJÙ×÷¡£
¸ù¾Ý¼¼Êõ²ÎÊý¼ìË÷
30300 ϵÁÐ
30300 ϵÁÐ



Ìá½»ÐèÇó
  
ϵÁжԱÈ
   
   ×ܹ²24Ìõ£¬µ±Ç°ÎªµÚ 1Ìõµ½µÚ24Ìõ
1

Ñ¡Ôñ

Æ·ÅÆ

»ù±¾³ß´ç (mm)

»ù±¾¶î¶¨¸ººÉ (KN)

Æ£À͸ººÉ¼«ÏÞ (kN)

¶î¶¨×ªËÙ (r/min)

ÖØÁ¿ (kg)

ÐͺÅ

³ß´ç (mm)

ά¶È(ABMA)

°²×°³ß´ç (mm)

¼ÆËãϵÊý

d1

D

B

¶¯Ì¬

¾²Ì¬

²Î¿¼×ªËÙ

¶î¶¨×ªËÙ

d

d1¡«

B

C

r1,2£¨×îС£©

r3,4£¨×îС£©

a

da £¨×î´ó£©

da £¨×îС£©

Da (×îС)

Da £¨×î´ó£©

Db(×îС)

Ca(×îС)

Cb(×îС)

ra £¨×î´ó£©

rb£¨×î´ó£©

e

Y

Yo

ASMI 17 47 20.25 40 33.5 3.65 12000 16000 0.17 32303J2/Q 2FD 17 30.7 19 16 1 1 12 24 23 39 41 43 3 4 1 1 0.28 2.1 1.1
ASMI 20 52 16.25 39 32.5 3.6 12000 14000 0.17 30304J2/Q 2FB 20 34.3 15 13 1.5 1.5 11 28 27 44 45 47 2 3 1.5 1.5 0.3 2 1.1
ASMI 25 62 18.25 44.6 43 4.75 9000 12000 0.26 30305J2 2FB 25 41.5 17 15 1.5 1.5 13 34 32 54 55 57 2 3 1.5 1.5 0.3 2 1.1
ASMI 30 72 20.75 64 56 6.4 8000 10000 0.39 30306J2/Q 2FB 30 48.4 19 16 1.5 1.5 15 41 37 62 65 66 3 4.5 1.5 1.5 0.31 1.9 1.1
ASMI 35 80 22.75 83 73.5 8.3 7500 9000 0.52 30307J2/Q 2FB 35 54.5 21 18 2 1.5 16 46 44 70 71 74 3 4.5 2 1.5 0.31 1.9 1.1
ASMI 40 90 25.25 100 95 10.8 6300 8000 0.72 30308J2/Q 2FB 40 62.5 23 20 2 1.5 19 53 49 77 81 82 3 5 2 1.5 0.35 1.7 0.9
ASMI 45 100 27.25 125 120 14.3 5600 7000 0.97 30309J2/Q 2FB 45 70.1 25 22 2 1.5 21 59 53 86 91 92 3 5 2 1.5 0.35 1.7 0.9
ASMI 50 110 29.25 143 140 16.6 5300 6300 1.25 30310J2/Q 2FB 50 77.2 27 23 2.5 2 23 65 60 95 100 102 4 6 2 2 0.35 1.7 0.9
ASMI 55 120 31.5 166 163 19.3 4800 5600 1.55 30311J2/Q 2FB 55 84 29 25 2.5 2 24 71 65 104 112 111 4 6.5 2 2 0.35 1.7 0.9
ASMI 60 130 33.5 168 196 23.6 4000 5300 1.95 30312J2/Q 2FB 60 91.9 31 26 3 2.5 26 77 72 112 118 120 5 7.5 2.5 2 0.35 1.7 0.9
ASMI 65 140 36 194 228 27.5 3600 4800 2.40 30313J2/Q 2GB 65 98.6 33 28 3 2.5 28 84 77 122 128 130 5 8 2.5 2 0.35 1.7 0.9
ASMI 70 150 38 220 260 31 3400 4500 2.90 30314J2/Q 2GB 70 105 35 30 3 2.5 29 90 82 130 138 140 5 8 2.5 2 0.35 1.7 0.9
ASMI 75 160 40 246 290 34 3200 4300 3.45 30315J2/Q 2GB 75 112 37 31 3 2.5 31 96 87 139 148 149 5 9 2.5 2 0.35 1.7 0.9
ASMI 80 170 42.5 270 320 38 3000 4300 4.10 30316J2 2GB 80 120 39 33 3 2.5 33 102 92 148 158 159 5 9.5 2.5 2 0.35 1.7 0.9
ASMI 85 180 44.5 303 365 40.5 2800 4000 4.85 30317J2 2GB 85 126 41 34 4 3 35 107 99 156 166 167 6 10.5 3 2.5 0.35 1.7 0.9
ASMI 90 190 46.5 330 400 44 2600 4000 5.65 30318J2 2GB 90 132 43 36 4 3 36 113 105 165 176 176 6 10.5 3 2.5 0.35 1.7 0.9
ASMI 95 200 49.5 330 390 42.5 2600 3400 6.70 30319 2GB 95 139 45 38 4 3 39 118 110 172 186 184 6 11.5 3 2.5 0.35 1.7 0.9
ASMI 100 215 51.5 402 490 53 2400 3200 8.05 30320J2 2GB 100 148 47 39 4 3 40 127 115 184 201 197 6 12.5 3 2.5 0.35 1.7 0.9
ASMI 110 240 54.5 473 585 62 2200 2800 11.0 30322J2 2GB 110 165 50 42 4 3 43 142 125 206 226 220 8 12.5 3 2.5 0.35 1.7 0.9
ASMI 120 260 59.5 561 710 73.5 2000 2600 14.0 30324J2 2GB 120 178 55 46 4 3 47 153 135 221 245 237 7 13.5 3 2.5 0.35 1.7 0.9
ASMI 130 280 63.75 627 800 83 1800 2400 17.0 30326J2 2GB 130 196 58 49 5 4 51 164 150 239 263 255 8 14.5 4 3 0.35 1.7 0.9
ASMI 150 225 59 457 865 86.5 2000 2600 8.15 33030 2EE 150 188 59 46 3 2.5 48 164 162 200 213 217 8 13 2.5 2 0.37 1.6 0.9
ASMI 160 340 75 913 1180 114 1500 2000 29.0 30332J2 2GB 160 233 68 58 5 4 61 201 180 290 323 310 9 17 4 3 0.35 1.7 0.9
ASMI 260 540 113 2120 3050 250 850 1200 110 30352J2 - 260 376 102 85 6 6 97 325 286 461 514 493 15 28 5 5 0.35 1.7 0.9
>>
<<
   ×ܹ²24Ìõ£¬µ±Ç°ÎªµÚ 1Ìõµ½µÚ24Ìõ
1
°æÈ¨ËùÓЩ 2025 °®Ë¼Ã×»úе´«¶¯¿Æ¼¼|ASMIÖá³Ð

ËÕICP±¸16054936ºÅ