ÎÞÎý°®Ë¼Ã×Öá³Ð£¬»úÆ÷ÈËÖá³Ð
Download PDF ÏÂÔØPDFÎļþ     ´òÓ¡´ËÒ³Ãæ     Email Email·¢ËÍ´ËÒ³Ãæ     Save To Favorites Ìí¼Óµ½ÊղؼÐ

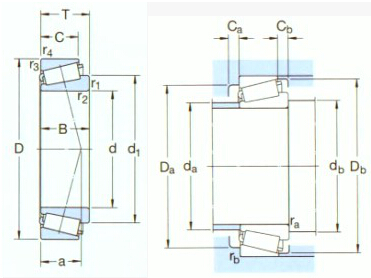
30200 ϵÁÐ

ÔÚÒÔÏÂÿ¸öϵÁÐ×ó²àµÄ·½¿òÖÐÇëÏÈ´ò¶Ô¹´Ñ¡ÔñÒ»¸öϵÁУ¬È»ºó¼´¿ÉÖ´ÐиÃÒ³ÃæÆäËü¹¦ÄܵIJÙ×÷¡£
¸ù¾Ý¼¼Êõ²ÎÊý¼ìË÷
30200 ϵÁÐ
30200 ϵÁÐ



Ìá½»ÐèÇó
  
ϵÁжԱÈ
   
   ×ܹ²34Ìõ£¬µ±Ç°ÎªµÚ 1Ìõµ½µÚ34Ìõ
1

Ñ¡Ôñ

Æ·ÅÆ

»ù±¾³ß´ç (mm)

»ù±¾¶î¶¨¸ººÉ (KN)

Æ£À͸ººÉ¼«ÏÞ (kN)

¶î¶¨×ªËÙ (r/min)

ÖØÁ¿ (kg)

ÐͺÅ

³ß´ç (mm)

ά¶È(ABMA)

°²×°³ß´ç (mm)

¼ÆËãϵÊý

d1

D

B

¶¯Ì¬

¾²Ì¬

²Î¿¼×ªËÙ

¶î¶¨×ªËÙ

d

d1¡«

B

C

r1,2£¨×îС£©

r3,4£¨×îС£©

a

da £¨×î´ó£©

da £¨×îС£©

Da (×îС)

Da £¨×î´ó£©

Db(×îС)

Ca(×îС)

Cb(×îС)

ra £¨×î´ó£©

rb£¨×î´ó£©

e

Y

Yo

ASMI 20 47 15.25 32 28 3 12000 15000 0.12 30204J2/Q 2DB 20 33.2 14 12 1 1 11 27 26 40 41 43 2 3 1 1 0.35 1.7 0.9
ASMI 25 52 16.25 35.5 33.5 3.45 11000 13000 0.15 30205J2/Q 3CC 25 37.4 15 13 1 1 12 31 31 44 46 48 2 3 1 1 0.37 1.6 0.9
ASMI 28 58 17.25 38 41.5 4.4 9000 12000 0.25 302/28J2 - 28 41.8 16 14 1 1 13 35 34 50 52 54 2 3 1 1 0.37 1.6 0.9
ASMI 30 62 17.25 46.5 44 4.8 9000 11000 0.23 30206J2/Q 3DB 30 44.6 16 14 1 1 14 38 36 53 56 57 2 3 1 1 0.37 1.6 0.9
ASMI 35 72 18.25 58.5 56 6.1 8000 9500 0.32 30207J2/Q 3DB 35 51.8 17 15 1.5 1.5 15 44 42 62 65 67 3 3 1.5 1.5 0.37 1.6 0.9
ASMI 40 80 19.75 71 68 7.65 7000 8500 0.42 30208J2/Q 3DB 40 57.5 18 16 1.5 1.5 16 49 47 69 73 74 3 3.5 1.5 1.5 0.37 1.6 0.9
ASMI 45 85 20.75 76.5 76.5 8.65 6300 8000 0.48 30209J2/Q 3DB 45 63 19 16 1.5 1.5 18 54 52 74 78 80 3 4.5 1.5 1.5 0.4 1.5 0.8
ASMI 50 90 21.75 86.5 91.5 10.4 6000 7500 0.54 30210J2/Q 3DB 50 67.9 20 17 1.5 1.5 19 58 57 79 83 85 3 4.5 1.5 1.5 0.43 1.4 0.8
ASMI 55 100 22.75 104 106 12 5300 6700 0.70 30211J2/Q 3DB 55 74.6 21 18 2 1.5 20 64 64 88 93 94 4 4.5 2 1.5 0.4 1.5 0.8
ASMI 60 110 23.75 112 114 13.2 5000 6000 0.88 30212J2/Q 3EB 60 81.5 22 19 2 1.5 22 70 68 96 103 103 4 4.5 2 1.5 0.4 1.5 0.8
ASMI 65 120 24.75 132 134 16.3 4500 5600 1.15 30213J2/Q 3EB 65 89 23 20 2 1.5 23 78 74 106 113 113 4 4.5 2 1.5 0.4 1.5 0.8
ASMI 70 125 26.25 125 156 18 4000 5300 1.25 30214J2/Q 3EB 70 93.9 24 21 2 1.5 25 82 78 110 115 118 4 5 2 1.5 0.43 1.4 0.8
ASMI 75 130 27.25 140 176 20.4 3800 5000 1.40 30215J2/Q 4DB 75 99.2 25 22 2 1.5 27 86 84 115 122 124 4 5 2 1.5 0.43 1.4 0.8
ASMI 80 140 28.25 151 183 21.2 3400 4800 1.60 30216J2/Q 3EB 80 105 26 22 2.5 2 28 92 90 124 130 132 4 6 2 2 0.43 1.4 0.8
ASMI 85 150 30.5 176 220 25.5 3200 4300 2.05 30217J2/Q 3EB 85 112 28 24 2.5 2 30 97 95 132 140 141 5 6.5 2 2 0.43 1.4 0.8
ASMI 90 160 32.5 194 245 28.5 3000 4000 2.55 30218J2 3FB 90 118 30 26 2.5 2 31 104 101 140 150 150 5 6.5 2 2 0.43 1.4 0.8
ASMI 95 170 34.5 216 275 31.5 2800 3800 3.00 30219J2 3FB 95 126 32 27 3 2.5 33 110 107 149 158 159 5 7.5 2.5 2 0.43 1.4 0.8
ASMI 100 150 39 224 390 41.5 3000 4000 2.40 33020/Q 2CE 100 122 39 32.5 2 1.5 29 109 108 135 142 143 7 6.5 2 1.5 0.3 2 1.1
ASMI 100 180 37 246 320 36 2800 3600 3.65 30220J2 3FB 100 133 34 29 3 2.5 35 116 112 157 168 168 5 8 2.5 2 0.43 1.4 0.8
ASMI 105 160 43 246 430 45.5 2800 3800 3.05 33021/Q 2DE 105 131 43 34 2.5 2 31 117 116 145 150 153 7 9 2 2 0.28 2.1 1.1
ASMI 105 190 39 270 355 40 2600 3400 4.25 30221J2 3FB 105 141 36 30 3 2.5 37 123 117 165 178 177 6 9 2.5 2 0.43 1.4 0.8
ASMI 110 170 47 281 500 53 2600 3600 3.85 33022 2DE 110 139 47 37 2.5 2 34 123 121 152 160 161 7 10 2 2 0.28 2.1 1.1
ASMI 110 200 41 308 405 45 2400 3200 5.10 30222J2 3FB 110 148 38 32 3 2.5 39 129 122 174 188 187 6 9 2.5 2 0.43 1.4 0.8
ASMI 120 180 48 292 540 56 2600 3400 4.20 33024 2DE 120 149 48 38 2.5 2 36 132 131 160 170 171 6 10 2 2 0.3 2 1.1
ASMI 120 215 43.5 341 465 49 2200 3000 6.15 30224J2 4FB 120 161 40 34 3 2.5 43 141 132 187 203 201 6 9.5 2.5 2 0.43 1.4 0.8
ASMI 130 230 43.75 369 490 53 2000 2800 7.60 30226J2 4FB 130 173 40 34 4 3 45 152 146 203 216 217 7 9.5 3 2.5 0.43 1.4 0.8
ASMI 140 250 45.75 418 570 58.5 1900 2600 8.65 30228J2 4FB 140 186 42 36 4 3 47 164 156 219 236 234 7 9.5 3 2.5 0.43 1.4 0.8
ASMI 150 270 49 429 560 57 1800 2400 11.0 30230 4GB 150 200 45 38 4 3 50 175 166 234 256 250 9 11 3 2.5 0.43 1.4 0.8
ASMI 160 290 52 528 735 72 1600 2200 13.0 30232J2 4GB 160 214 48 40 4 3 54 189 176 252 275 269 8 12 3 2.5 0.43 1.4 0.8
ASMI 170 310 57 616 865 83 1500 2000 19.0 30234J2 4GB 170 230 52 43 5 4 58 203 190 268 293 288 8 14 4 3 0.43 1.4 0.8
ASMI 180 320 57 583 815 80 1500 2000 20.0 30236J2 4GB 180 239 52 43 5 4 61 211 200 278 303 297 9 14 4 3 0.44 1.35 0.8
ASMI 190 340 60 721 1000 95 1400 1800 24.0 30238J2 4GB 190 254 55 46 5 4 63 224 210 298 323 318 9 14 4 3 0.43 1.4 0.8
ASMI 200 360 64 792 1120 106 1300 1700 25.0 30240J2 4GB 200 268 58 48 5 4 68 237 220 315 343 336 9 16 4 3 0.43 1.4 0.8
ASMI 220 400 72 990 1400 129 1200 1600 40.0 30244J2 - 220 294 65 54 5 4 74 259 242 348 383 371 10 18 4 3 0.43 1.4 0.8
>>
<<
   ×ܹ²34Ìõ£¬µ±Ç°ÎªµÚ 1Ìõµ½µÚ34Ìõ
1
°æÈ¨ËùÓЩ 2025 °®Ë¼Ã×»úе´«¶¯¿Æ¼¼|ASMIÖá³Ð

ËÕICP±¸16054936ºÅ