ÎÞÎý°®Ë¼Ã×Öá³Ð£¬»úÆ÷ÈËÖá³Ð

Ê×Ò³ > ²úƷĿ¼ > ¾«ÃÜ»ú´²Öá³Ð > »ú´²×¨ÓùöÖéË¿¸ËÖ§³Å×ùÖá³Ð¡ªZKLN,ZKLFϵÁÐ > »ú´²×¨ÓùöÖéË¿¸ËÖ§³Å×ùÖá³Ð¡ªZKLFϵÁÐ

Download PDF ÏÂÔØPDFÎļþ     ´òÓ¡´ËÒ³Ãæ     Email Email·¢ËÍ´ËÒ³Ãæ     Save To Favorites Ìí¼Óµ½ÊղؼÐ

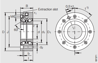
»ú´²×¨ÓùöÖéË¿¸ËÖ§³Å×ùÖá³Ð¡ªZKLFϵÁÐ

ÔÚÒÔÏÂÿ¸öϵÁÐ×ó²àµÄ·½¿òÖÐÇëÏÈ´ò¶Ô¹´Ñ¡ÔñÒ»¸öϵÁУ¬È»ºó¼´¿ÉÖ´ÐиÃÒ³ÃæÆäËü¹¦ÄܵIJÙ×÷¡£
¸ù¾Ý¼¼Êõ²ÎÊý¼ìË÷
»ú´²×¨ÓùöÖéË¿¸ËÖ§³Å×ùÖá³Ð¡ªZKLFϵÁÐ
»ú´²×¨ÓùöÖéË¿¸ËÖ§³Å×ùÖá³Ð¡ªZKLFϵÁÐ



Ìá½»ÐèÇó
  
ϵÁжԱÈ
   
   ×ܹ²24Ìõ£¬µ±Ç°ÎªµÚ 1Ìõµ½µÚ24Ìõ
1

Ñ¡Ôñ

Æ·ÅÆ

ÐͺÅ

³ß´ç(mm)

°²×°³ß´ç

°²×°Âݶ¤

ÖØÁ¿(Kg)

d

D

B

d1

D1

r, r1£¨×îС£©

J

d2

b

l

Da

da

ÀàÐÍ

ÊýÁ¿

ASMI ZKLF 1255 2RS 12 55 25 25 33.5 0.6 42 6.5 3 17 - - M6 3 0.37
ASMI ZKLF 1255 2Z 12 55 25 25 33.5 0.6 42 6.5 3 17 - - M6 3 0.37
ASMI ZKLF 1560 2RS 15 60 25 28 36 0.6 46 6.5 3 17 - - M6 3 0.43
ASMI ZKLF 1560 2Z 15 60 25 23 12 0.6 46 6.5 3 17 - - M6 3 0.43
ASMI ZKLF 1762 2RS 17 62 25 23 12 0.6 48 6.5 3 17 - - M6 3 0.45
ASMI ZKLF 1762 2Z 17 62 25 25 14 0.6 48 6.5 3 17 - - M6 3 0.45
ASMI ZKLF 2068 2RS 20 68 28 25 14 0.6 53 6.5 3 19 - - M6 4 0.61
ASMI ZKLF 2068 2Z 20 68 28 30 16 0.6 53 6.5 3 19 - - M6 4 0.61
ASMI ZKLF 2575 2RS 25 75 28 30 16 0.6 58 6.5 3 19 - - M6 4 0.72
ASMI ZKLF 2575 2Z 25 75 28 32 20 0.6 58 6.5 3 19 - - M6 4 0.72
ASMI ZKLF 3080 2RS 30 80 28 32 20 0.6 63 6.5 3 19 - - M6 6 0.78
ASMI ZKLF 3080 2Z 30 80 28 34 23 0.6 63 6.5 3 19 - - M6 6 0.78
ASMI ZKLF 3590 2RS 35 90 34 34 23 0.6 75 8.5 3 25 - - M8 4 1.13
ASMI ZKLF 3590 2Z 35 90 34 40 25 0.6 75 8.5 3 25 - - M8 4 1.13
ASMI ZKLF 40100 2RS 40 100 34 40 25 0.6 80 8.5 3 25 - - M8 4 1.46
ASMI ZKLF 40100 2Z 40 100 34 45 32 0.6 80 8.5 3 25 - - M8 4 1.46
ASMI ZKLF 50115 2RS 50 115 34 45 32 0.6 94 8.5 3 25 - - M8 6 1.86
ASMI ZKLF 50115 2Z 50 115 34 50 40 0.6 94 8.5 3 25 - - M8 6 1.86
ASMI ZKLF60145 2Z 60 145 45 85 100 0.6 120 8.8 3 35 100 82 M8 8 4.3
ASMI ZKLF70155 2Z 70 155 45 85 110 0.6 130 8.8 3 35 110 92 M8 8 4.9
ASMI ZKLF80165 2Z 80 165 45 105 120 0.6 140 8.8 3 35 120 102 M8 8 5.3
ASMI ZKLF90190 2Z 90 190 55 120 138 0.6 165 11 3 45 138 116 M10 8 8.7
ASMI ZKLF100200 2Z 100 200 55 132 150 0.6 175 11 3 45 150 128 M10 8 9.3
ASMI ZKLF100230 2Z 100 230 85 146 174.6 0.6 200 14 3 73 175 130 M12 12 17.6
>>
<<
   ×ܹ²24Ìõ£¬µ±Ç°ÎªµÚ 1Ìõµ½µÚ24Ìõ
1
°æÈ¨ËùÓЩ 2025 °®Ë¼Ã×»úе´«¶¯¿Æ¼¼|ASMIÖá³Ð

ËÕICP±¸16054936ºÅ