ÎÞÎý°®Ë¼Ã×Öá³Ð£¬»úÆ÷ÈËÖá³Ð
Download PDF ÏÂÔØPDFÎļþ     ´òÓ¡´ËÒ³Ãæ     Email Email·¢ËÍ´ËÒ³Ãæ     Save To Favorites Ìí¼Óµ½ÊղؼÐ

JM ϵÁÐ

ÔÚÒÔÏÂÿ¸öϵÁÐ×ó²àµÄ·½¿òÖÐÇëÏÈ´ò¶Ô¹´Ñ¡ÔñÒ»¸öϵÁУ¬È»ºó¼´¿ÉÖ´ÐиÃÒ³ÃæÆäËü¹¦ÄܵIJÙ×÷¡£
¸ù¾Ý¼¼Êõ²ÎÊý¼ìË÷
JM ϵÁÐ
JM ϵÁÐ



Ìá½»ÐèÇó
  
ϵÁжԱÈ
   
   ×ܹ²21Ìõ£¬µ±Ç°ÎªµÚ 1Ìõµ½µÚ21Ìõ
1

Ñ¡Ôñ

Æ·ÅÆ

Öá³ÐÐͺÅ

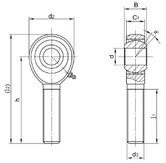
³ß´ç£¨mm£©

¸ÖÇòÖ±¾¶

ÔØºÉ(KN)

ÖØÁ¿(Kg)

d£¨+0.03 -0.01£©

B

C1

d2

d3£¨UNF-2A£©

h

L1

L2

ASMI JM3 4.826 7.92 6.35 15.88 10-32 31.75 19.05 39.69 11.11 10 0.013
ASMI JM3 0.19 0.312 0.25 0.625 10-32 1.25 0.75 1.562 0.437 10 0.013
ASMI JM4 6.35 9.53 7.14 19.05 29/04/2001 39.67 25.4 49.2 12.7 13 0.018
ASMI JM4 0.25 0.375 0.281 0.75 29/04/2001 1.562 1 1.937 0.5 13 0.018
ASMI JM5 7.938 11.1 8.74 22.23 5/16-24 47.63 31.75 58.75 15.88 10 0.031
ASMI JM5 0.3125 0.437 0.344 0.875 5/16-24 1.875 1.25 2.312 0.625 10 0.031
ASMI JM6 9.525 12.7 10.31 25.4 25/08/2003 49.22 31.75 61.92 18.26 9 0.049
ASMI JM6 0.375 0.5 0.406 1 25/08/2003 1.938 1.25 2.437 0.719 9 0.049
ASMI JM7 11.112 14.27 11.1 28.58 7/16-20 53.98 34.93 68.27 20.62 11 0.072
ASMI JM7 0.4375 0.562 0.437 1.125 7/16-20 2.125 1.375 2.678 0.812 11 0.072
ASMI JM8 12.7 15.88 12.7 33.32 21/02/2001 61.92 38.1 78.58 23.8 9 0.113
ASMI JM8 0.5 0.625 0.5 1.312 21/02/2001 2.438 1.5 3.093 0.937 9 0.113
ASMI JM10 15.875 19.05 14.27 38.1 19/08/2005 66.68 41.28 85.73 28.58 11 0.172
ASMI JM10 0.625 0.75 0.562 1.5 19/08/2005 2.625 1.625 3.375 0.937 11 0.172
ASMI JM12 19.05 22.23 17.45 44.45 17/04/2003 73.02 44.45 95.25 28.58 10 0.272
ASMI JM12 0.75 0.875 0.687 1.75 17/04/2003 2.875 1.75 3.75 1.125 10 0.272
ASMI JM14 25.4 22.23 17.45 50.8 15/08/2007 85.73 47.63 111.1 33.33 10 0.408
ASMI JM14 0.875 0.875 0.687 2 15/08/2007 3.375 1.875 4.375 1.312 10 0.408
ASMI JM16 25.4 34.93 25.4 69.85 13/04/2005 104.78 53.98 139.7 47.63 14 1.091
ASMI JM16-1 25.4 34.93 25.4 69.85 42383 104.78 53.98 139.7 47.63 14 0.964
ASMI JM16-2 1 1.375 1 2.75 12 4.125 2.125 5.5 1.875 14 0.964
>>
<<
   ×ܹ²21Ìõ£¬µ±Ç°ÎªµÚ 1Ìõµ½µÚ21Ìõ
1
°æÈ¨ËùÓЩ 2025 °®Ë¼Ã×»úе´«¶¯¿Æ¼¼|ASMIÖá³Ð

ËÕICP±¸16054936ºÅ