ÎÞÎý°®Ë¼Ã×Öá³Ð£¬»úÆ÷ÈËÖá³Ð

Ê×Ò³ > ²úƷĿ¼ > ²æ³µÁ´ÂÖÖá³Ð > µ¥ÅÅÇò±£³Ö¼Ü > ²æ³µÃżÜÁ´ÂÖ(CGxxA1-x)

Download PDF ÏÂÔØPDFÎļþ     ´òÓ¡´ËÒ³Ãæ     Email Email·¢ËÍ´ËÒ³Ãæ     Save To Favorites Ìí¼Óµ½ÊղؼÐ

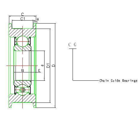
²æ³µÃżÜÁ´ÂÖ(CGxxA1-x)

ÔÚÒÔÏÂÿ¸öϵÁÐ×ó²àµÄ·½¿òÖÐÇëÏÈ´ò¶Ô¹´Ñ¡ÔñÒ»¸öϵÁУ¬È»ºó¼´¿ÉÖ´ÐиÃÒ³ÃæÆäËü¹¦ÄܵIJÙ×÷¡£
¸ù¾Ý¼¼Êõ²ÎÊý¼ìË÷
²æ³µÃżÜÁ´ÂÖ(CGxxA1-x)
²æ³µÃżÜÁ´ÂÖ(CGxxA1-x)



Ìá½»ÐèÇó
  
ϵÁжԱÈ
   
   ×ܹ²10Ìõ£¬µ±Ç°ÎªµÚ 1Ìõµ½µÚ10Ìõ
1
>>
<<
   ×ܹ²10Ìõ£¬µ±Ç°ÎªµÚ 1Ìõµ½µÚ10Ìõ
1
°æÈ¨ËùÓЩ 2025 °®Ë¼Ã×»úе´«¶¯¿Æ¼¼|ASMIÖá³Ð

ËÕICP±¸16054936ºÅ